СП 15.13330.2012 Каменные и армокаменные конструкции. Актуализированная редакция СНиП II-22-81*
СП 15.13330.2012
СВОД ПРАВИЛ
КАМЕННЫЕ И АРМОКАМЕННЫЕ КОНСТРУКЦИИ
Masonry and reinforced masonry structures
Актуализированная редакция
СНиП II-22-81*
ОКС 91.080.30
Дата введения 2013-01-01
Предисловие
Цели и принципы стандартизации в Российской Федерации установлены Федеральным законом от 27 декабря 2002 г. N 184-ФЗ "О техническом регулировании", а правила разработки - постановлением Правительства Российской Федерации от 19 ноября 2008 г. N 858 "О порядке разработки и утверждения сводов правил".
Сведения о своде правил
1 ИСПОЛНИТЕЛИ - Центральный научно-исследовательский институт строительных конструкций им. В.А.Кучеренко (ЦНИИСК им. В.А.Кучеренко) - институт ОАО "НИЦ "Строительство"
2 ВНЕСЕН Техническим комитетом по стандартизации ТК 465 "Строительство"
3 ПОДГОТОВЛЕН к утверждению Департаментом архитектуры, строительства и градостроительной политики
4 УТВЕРЖДЕН приказом Министерства регионального развития Российской Федерации (Минрегион России) от 29 декабря 2011 г. N 635/5 и введен в действие с 01 января 2013 г.
5 ЗАРЕГИСТРИРОВАН Федеральным агентством по техническому регулированию и метрологии (Росстандарт). Пересмотр СП 15.13330.2010 "СНиП II-22-81* Каменные и армокаменные конструкции"
Информация об изменениях к настоящему своду правил публикуется в ежегодно издаваемом информационном указателе "Национальные стандарты", а текст изменений и поправок - в ежемесячно издаваемых информационных указателях "Национальные стандарты". В случае пересмотра (замены) или отмены настоящего свода правил соответствующее уведомление будет опубликовано в ежемесячно издаваемом информационном указателе "Национальные стандарты". Соответствующая информация, уведомление и тексты размещаются также в информационной системе общего пользования - на официальном сайте разработчика (Минрегион России) в сети Интернет.
Введение
Настоящий свод правил составлен с учетом требований федеральных законов от 27 декабря 2002 г. N 184-ФЗ "О техническом регулировании", от 22 июня 2008 г. N 123-ФЗ "Технический регламент о требованиях пожарной безопасности", от 30 декабря 2009 г. N 384-ФЗ "Технический регламент о безопасности зданий и сооружений".
Актуализация выполнена авторским коллективом ЦНИИСК им. В.А.Кучеренко - институтом ОАО "НИЦ "Строительство":
кандидаты техн. наук А.В.Грановский, М.К.Ищук (руководители работ), В.М.Бобряшов, Н.Н.Кручинин, М.О.Павлова, С.И.Чигрин; инженеры: A.M.Горбунов, В.А.Захаров, С.А.Минаков, А.А.Фролов (ЦНИИСК им. В.А.Кучеренко); кандидаты техн. наук А.И.Бедов (МГСУ), А.Л.Алтухов (МОСГРАЖДАНПРОЕКТ). Общая редакция - канд. техн. наук О.И.Пономарева (ЦНИИСК им. В.А.Кучеренко).
1 Область применения
Настоящий свод правил распространяется на проектирование каменных и армокаменных конструкций новых и реконструируемых зданий и сооружений различного назначения, эксплуатируемых в климатических условиях России.
Нормы устанавливают требования к проектированию каменных и армокаменных конструкций, возводимых с применением керамического и силикатного кирпича, керамических, силикатных, бетонных блоков и природных камней.
Требования настоящих норм не распространяются на проектирование зданий и сооружений, подверженных динамическим нагрузкам, возводимых на подрабатываемых территориях, вечномерзлых грунтах, в сейсмоопасных районах, а также мостов, труб и тоннелей, гидротехнических сооружений, тепловых агрегатов.
2 Нормативные ссылки
Нормативные документы, на которые в тексте настоящих норм имеются ссылки, приведены в приложении А.
Примечание - При пользовании настоящим сводом правил целесообразно проверить действие ссылочных стандартов и классификаторов в информационной системе общего пользования на официальном сайте национального органа Российской Федерации по стандартизации в сети Интернет или по ежегодно издаваемому информационному указателю "Национальные стандарты", который опубликован по состоянию на 1 января текущего года, и по соответствующим ежемесячно издаваемым информационным указателям, опубликованным в текущем году. Если ссылочный документ заменен (изменен), то при пользовании настоящим сводом правил следует руководствоваться замененным (измененным) документом. Если ссылочный документ отменен без замены, то положение, в котором дана ссылка на него, применяется в части, не затрагивающей эту ссылку.
3 Термины и определения
В настоящем своде правил приняты термины и определения, приведенные в приложении Б.
4 Общие положения
4.1 При проектировании каменных и армокаменных конструкций следует применять конструктивные решения, изделия и материалы, обеспечивающие требуемую несущую способность, долговечность, пожаробезопасность, теплотехнические характеристики конструкций и температурно-влажностный режим (ГОСТ 4.206, ГОСТ 4.210, ГОСТ 4.219).
4.2 При проектировании зданий и сооружений следует предусматривать мероприятия, обеспечивающие возможность возведения их в зимних условиях.
4.3 Применение силикатных кирпича, камней и блоков; камней и блоков из ячеистых бетонов; пустотелых керамических кирпича и камней, бетонных блоков с пустотами; керамического кирпича полусухого прессования допускается для наружных стен помещений с влажным режимом при условии нанесения на их внутренние поверхности пароизоляционного покрытия. Применение указанных материалов для стен помещений с мокрым режимом, а также для наружных стен подвалов, цоколей и фундаментов не допускается.
Применение трехслойной кладки с эффективным утеплителем для наружных стен помещений с влажным режимом эксплуатации допускается при условии нанесения на их внутренние поверхности пароизоляционного покрытия. Применение такой кладки для наружных стен помещений с мокрым режимом эксплуатации, а также для наружных стен подвалов не допускается.
4.4 Конструктивное исполнение строительных элементов не должно являться причиной скрытого распространения горения по зданию, сооружению, строению.
При использовании в качестве внутреннего слоя горючего утеплителя предел огнестойкости и класс конструктивной пожарной опасности строительных конструкций должны быть определены в условиях стандартных огневых испытаний или расчетно-аналитическим методом.
Методики проведения огневых испытаний и расчетно-аналитические методы определения пределов огнестойкости и класса конструктивной пожарной опасности строительных конструкций устанавливаются нормативными документами по пожарной безопасности.
4.5 Применение настоящего документа обеспечивает выполнение требований Технического регламента "О безопасности зданий и сооружений".
5 Материалы
5.1 Кирпич, камни и растворы для каменных и армокаменных конструкций, а также бетоны для изготовления камней и крупных блоков должны удовлетворять требованиям соответствующих стандартов: ГОСТ 28013; ГОСТ 4.233; ГОСТ 530; ГОСТ 379; ГОСТ 4001; ГОСТ 6133; ГОСТ 9479; ГОСТ 31189; ГОСТ 31357; ГОСТ 4.210; ГОСТ 4.219; ГОСТ 25485; ГОСТ Р 51263; ГОСТ 8462; ГОСТ 5802 и применяться следующих марок или классов:
а) камни - по среднему пределу прочности на сжатие (кирпич - сжатие с учетом его среднего значения предела прочности при изгибе): М7, М10, М15, М25, М35, М50, М75 - камни малой прочности - легкие бетонные и природные камни, керамические, в том числе крупноформатные; M100, M125, M150, М200 - кирпич и камни средней прочности, в том числе крупноформатные, керамические, бетонные и природные; М250, М300, М400, М500, М600, М800 и M1000 - кирпич и камни высокой прочности, в том числе клинкерные природные и бетонные;
б) бетоны классов по прочности на сжатие:
тяжелые - В3,5; В5; В7,5; В12,5; В15; В20; В22,5; В25; В30;
на пористых заполнителях - В2; В2,5; В3,5; В5; В7,5; В12,5; В15; В20; В25; В30;
ячеистые - В1; В2; В2,5; В3,5; В5; В7,5; В12,5;
полистиролбетон - В1,0; В1,5; В2,0; В2,5; В3,5;
крупнопористые - В1; В2; В2,5; В3,5; В5; В7,5;
поризованные - В2,5; В3,5; В5; В7,5;
силикатные - В12,5; В15; В20; В25; В30.
Допускается применение в качестве утеплителей бетонов, предел прочности которых на сжатие 0,5 МПа и более; а для вкладышей и плит не менее 1,0 МПа;
в) растворы по среднему пределу прочности на сжатие - 0,4 МПа, и по маркам по прочности на сжатие - М4, М10, М25, М50, М75, М100, М150, М200;
г) каменные материалы по морозостойкости - F10, F15, F25, F35, F50, F75, F100, F150, F200, F300.
Для бетонов марки по морозостойкости те же, кроме F10.
5.2 Проектные марки по морозостойкости каменных материалов для наружной части стен (на толщину 12 см) и для фундаментов (на всю толщину), возводимых во всех строительно-климатических зонах, в зависимости от предполагаемого срока службы конструкций, но не менее 100, 50 и 25 лет, приведены в 5.3 и таблице 1.
Примечание - Проектные марки по морозостойкости устанавливают только для материалов, из которых возводится верхняя часть фундаментов (до половины расчетной глубины промерзания грунта, определяемой в соответствии с СП 22.13330.
Таблица 1
|
Вид конструкций |
Значения морозостойкости F кладочных материалов при предполагаемом сроке службы конструкций, лет |
||
|
|
100 |
50 |
25 |
|
1 Наружные стены из массивной кладки или их облицовка без эффективного утеплителя, наружные двухслойные стены при плотности кладки внутреннего слоя не менее 1400 кг/м3 в зданиях с влажностным режимом помещений: |
|
|
|
|
а) сухим и нормальным |
25 |
25 |
25 |
|
б) влажным |
35 |
25 |
15 |
|
в) мокрым |
50 |
35 |
25 |
|
2 Наружные трехслойные стены с эффективным утеплителем: |
|
|
|
|
а) лицевой слой кладки толщиной 120 мм |
75 |
75 |
75 |
|
б) лицевой слой кладки толщиной 250 мм и более |
50 |
50 |
50 |
|
3 Фундаменты, цоколи и подземные части стен: |
|
|
|
|
а) из бетонных блоков, кирпича керамического пластического формирования (в т.ч. клинкерного) |
50 |
35 |
25 |
|
б) из природного камня |
35 |
25 |
25 |
|
Примечания |
|||
5.3 Для побережий Северного Ледовитого и Тихого океанов шириной 100 км, не входящих в Северную строительно-климатическую зону, марки по морозостойкости материалов для наружной части стен (при сплошных стенах - на толщину 25 см) и для фундаментов (на всю ширину и высоту) должны быть на одну ступень выше указанных в таблице 1.
Примечание - Определения границ Северной строительно-климатической зоны и ее подзон приведены в СП 131.13330.
5.4 Для армирования каменных конструкций в соответствии с СП 63.13330 следует применять:
для сетчатого армирования - арматуру классов А240 и В500;
для продольной и поперечной арматуры, анкеров и связей - арматуру классов А240, А300, В500.
Для закладных деталей и соединительных накладок следует применять сталь в соответствии с СП 16.13330.
6 Расчетные характеристики
Расчетные сопротивления
6.1 Расчетные сопротивления R сжатию кладки на тяжелых растворах из кирпича всех видов и керамических камней со щелевидными вертикальными пустотами шириной до 12 мм, пустотностью до 27% при высоте ряда кладки 50-150 мм на тяжелых растворах приведены в таблице 2.
Таблица 2
|
Марка кирпича или камня |
Расчетные сопротивления R, МПа, сжатию кладки из кирпича всех видов и керамических камней со щелевидными вертикальными пустотами шириной до 12 мм при высоте ряда кладки 50-150 мм на тяжелых растворах |
|||||||||
|
|
при марке раствора |
при прочности раствора |
||||||||
|
|
200 |
150 |
100 |
75 |
50 |
25 |
10 |
4 |
0,2 |
нулевой |
|
300 |
3,9 |
3,6 |
3,3 |
3,0 |
2,8 |
2,5 |
2,2 |
1,8 |
1,7 |
1,5 |
|
250 |
3,6 |
3,3 |
3,0 |
2,8 |
2,5 |
2,2 |
1,9 |
1,6 |
1,5 |
1,3 |
|
200 |
3,2 |
3,0 |
2,7 |
2,5 |
2,2 |
1,8 |
1,6 |
1,4 |
1,3 |
1,0 |
|
150 |
2,6 |
2,4 |
2,2 |
2,0 |
1,8 |
1,5 |
1,3 |
1,2 |
1,0 |
0,8 |
|
125 |
- |
2,2 |
2,0 |
1,9 |
1,7 |
1,4 |
1,2 |
1,1 |
0,9 |
0,7 |
|
100 |
- |
2,0 |
1,8 |
1,7 |
1,5 |
1,3 |
1,0 |
0,9 |
0,8 |
0,6 |
|
75 |
- |
- |
1,5 |
1,4 |
1,3 |
1,1 |
0,9 |
0,7 |
0,6 |
0,5 |
|
50 |
- |
- |
- |
1,1 |
1,0 |
0,9 |
0,7 |
0,6 |
0,5 |
0,35 |
|
35 |
- |
- |
- |
0,9 |
0,8 |
0,7 |
0,6 |
0,45 |
0,4 |
0,25 |
|
Примечание - Расчетные сопротивления кладки на растворах марок от 4 до 50 следует уменьшать, применяя понижающие коэффициенты: 0,85 - для кладки на жестких цементных растворах (без добавок извести или глины), легких и известковых растворах в возрасте до 3 мес; 0,9 - для кладки на цементных растворах (без извести или глины) с органическими пластификаторами. |
||||||||||
Расчетные сопротивления R сжатию кладки из пустотелого керамического кирпича с вертикальными прямоугольными пустотами шириной 12-16 мм и квадратными пустотами сечением 20х20 мм, пустотностью до 38% при высоте ряда кладки 77-100 мм следует принимать по таблице 2 с понижающими коэффициентами:
на растворе марки 100 и выше - 0,9;
на растворе марок 75, 50 - 0,8;
на растворе марок 25, 10 - 0,75;
на растворах с нулевой прочностью и прочностью до 0,4 МПа (4 кгс/см3) - 0,65;
при пустотности 39-48% значения понижающих коэффициентов следует умножать на 0,9.
Расчетные сопротивления сжатию кладки из крупноформатных камней с вертикальным соединением "паз-гребень" (без заполнения раствором) из керамики шириной до 260 мм, пустотностью до 56% с вертикально расположенными пустотами шириной до 16 мм при высоте ряда кладки до 250 мм устанавливаются по экспериментальным данным. При отсутствии таких данных расчетные сопротивления следует принимать по таблице 2 с понижающим коэффициентом 0,75 для кладки на растворе М25; 0,85 для кладки на растворе М50-М75 и 0,9 на растворах M100 и выше.
Расчетные сопротивления R сжатию кладки из полистиролбетонных блоков на клею принимаются по экспериментальным данным.
6.2 Расчетные сопротивления R сжатию кладки из ячеистобетонных блоков автоклавного твердения на тяжелых растворах при высоте ряда кладки 200-300 мм приведены в таблице 3.
Таблица 3
|
Класс бетона |
Марка блока |
Расчетные сопротивления R, МПа, сжатию кладки из ячеистобетонных блоков (автоклавного твердения) на тяжелых растворах при высоте ряда кладки 200-300 мм |
||||||||
|
|
|
при марке раствора |
при прочности раствора |
|||||||
|
|
|
150 |
100 |
75 |
50 |
25 |
10 |
4 |
0,2 |
нулевой |
|
В15 |
200 |
3,8 |
3,6 |
3,5 |
3,3 |
3,0 |
2,8 |
2,5 |
2,3 |
2,0 |
|
В12,5 |
175 |
3,5 |
2,9 |
2,8 |
2,6 |
2,4 |
2,2 |
2,0 |
1,8 |
1,7 |
|
В10 |
150 |
3,1 |
2,9 |
2,8 |
2,6 |
2,4 |
2,2 |
2,0 |
1,8 |
1,5 |
|
В7,5 |
100 |
2,4 |
2,3 |
2,2 |
2,0 |
1,8 |
1,7 |
1,5 |
1,3 |
1,0 |
|
В5 |
75 |
|
1,9 |
1,8 |
1,7 |
1,5 |
1,4 |
1,2 |
1,1 |
0,8 |
|
В3,5 |
50 |
|
1,5 |
1,4 |
1,3 |
1,2 |
1,0 |
0,9 |
0,8 |
0,6 |
|
В2,5 |
35 |
|
|
|
1,0 |
0,95 |
0,85 |
0,7 |
0,6 |
0,45 |
|
В2 |
25 |
|
|
|
0,8 |
0,75 |
0,65 |
0,55 |
0,5 |
0,35 |
|
В1,5 |
20 |
|
|
|
0,6 |
0,56 |
0,49 |
0,41 |
0,38 |
0,26 |
|
Примечания |
||||||||||
6.3 Расчетные сопротивления R сжатию виброкирпичной кладки на тяжелых растворах приведены в таблице 4.
Таблица 4
|
Марка кирпича |
Расчетные сопротивления R, МПа, сжатию виброкирпичной кладки на тяжелых растворах при марке раствора |
||||
|
|
200 |
150 |
100 |
75 |
50 |
|
300 |
5,6 |
5,3 |
4,8 |
4,5 |
4,2 |
|
250 |
5,2 |
4,9 |
4,4 |
4,1 |
3,7 |
|
200 |
4,8 |
4,5 |
4,0 |
3,6 |
3,3 |
|
150 |
4,0 |
3,7 |
3,3 |
3,1 |
2,7 |
|
125 |
3,6 |
3,3 |
3,0 |
2,9 |
2,5 |
|
100 |
3,1 |
2,9 |
2,7 |
2,6 |
2,3 |
|
75 |
- |
2,5 |
2,3 |
2,2 |
2,0 |
|
Примечания |
|||||
6.4 Расчетные сопротивления R сжатию кладки из крупных сплошных блоков из бетонов всех видов, перечисленных в 2.1, и из блоков природного камня (пиленых или чистой тески) при высоте ряда кладки 500-1000 мм приведены в таблице 5.
Таблица 5
|
Класс бетона |
Марка блока |
Расчетные сопротивления R, МПа, сжатию кладки из крупных сплошных блоков из бетонов всех видов и блоков из природного камня (пиленых или чистой тески) при высоте ряда кладки 500-1000 мм |
|||||||
|
|
|
при марке раствора |
при нулевой прочности раствора |
||||||
|
|
|
200 |
150 |
100 |
75 |
50 |
25 |
10 |
|
|
В80 |
1000 |
17,9 |
17,5 |
17,1 |
16,8 |
16,5 |
15,8 |
14,5 |
11,3 |
|
В62,5 |
800 |
15,2 |
14,8 |
14,4 |
14,1 |
13,8 |
13,3 |
12,3 |
9,4 |
|
В45 |
600 |
12,8 |
12,4 |
12,0 |
11,7 |
11,4 |
10,9 |
9,9 |
7,3 |
|
В40 |
500 |
11,1 |
10,7 |
10,3 |
10,1 |
9,8 |
9,3 |
8,7 |
6,3 |
|
В30 |
400 |
9,3 |
9,0 |
8,7 |
8,4 |
8,2 |
7,7 |
7,4 |
5,3 |
|
В22,5 |
300 |
7,5 |
7,2 |
6,9 |
6,7 |
6,5 |
6,2 |
5,7 |
4,4 |
|
В20 |
250 |
6,7 |
6,4 |
6,1 |
5,9 |
5,7 |
5,4 |
4,9 |
3,8 |
|
В15 |
200 |
5,4 |
5,2 |
5,0 |
4,9 |
4,7 |
4,3 |
4,0 |
3,0 |
|
В12 |
150 |
4,6 |
4,4 |
4,2 |
4,1 |
3,9 |
3,7 |
3,4 |
2,4 |
|
В7,5 |
100 |
- |
3,3 |
3,1 |
2,9 |
2,7 |
2,6 |
2,4 |
1,7 |
|
В5 |
75 |
- |
- |
2,3 |
2,2 |
2,1 |
2,0 |
1,8 |
1,3 |
|
В4 |
50 |
- |
- |
1,7 |
1,6 |
1,5 |
1,4 |
1,2 |
0,85 |
|
В2,5 |
35 |
- |
- |
- |
- |
1,1 |
1,0 |
0,9 |
0,6 |
|
В2 |
25 |
- |
- |
- |
- |
0,9 |
0,8 |
0,7 |
0,5 |
|
Примечания |
|||||||||
6.5 Расчетные сопротивления R сжатию кладки из сплошных бетонных, гипсобетонных и природных камней (пиленых или чистой тески) при высоте ряда кладки 200-300 мм приведены в таблице 6. Расчетные сопротивления сжатию кладки и другие характеристики кладки из полистиролбетонных блоков определяются по экспериментальным данным.
Таблица 6
|
Марка камня |
Расчетные сопротивления R, МПа, сжатию кладки из сплошных бетонных, гипсобетонных и природных камней (пиленых или чистой тески) при высоте ряда кладки 200-300 мм |
|||||||||
|
|
при марке раствора |
при прочности раствора |
||||||||
|
|
200 |
150 |
100 |
75 |
50 |
25 |
10 |
4 |
0,2 |
нулевой |
|
1000 |
13,0 |
12,5 |
12,0 |
11,5 |
11,0 |
10,5 |
9,5 |
8,5 |
8,3 |
8,0 |
|
800 |
11,0 |
10,5 |
10,0 |
9,5 |
9,0 |
8,5 |
8,0 |
7,0 |
6,8 |
6,5 |
|
600 |
9,0 |
8,5 |
8,0 |
7,8 |
7,5 |
7,0 |
6,0 |
5,5 |
5,3 |
5,0 |
|
500 |
7,8 |
7,3 |
6,9 |
6,7 |
6,4 |
6,0 |
5,3 |
4,8 |
4,6 |
4,3 |
|
400 |
6,5 |
6,0 |
5,8 |
5,5 |
5,3 |
5,0 |
4,5 |
4,0 |
3,8 |
3,5 |
|
300 |
5,8 |
4,9 |
4,7 |
4,5 |
4,3 |
4,0 |
3,7 |
3,3 |
3,1 |
2,8 |
|
200 |
4,0 |
3,8 |
3,6 |
3,5 |
3,3 |
3,0 |
2,8 |
2,5 |
2,3 |
2,0 |
|
150 |
3,3 |
3,1 |
2,9 |
2,8 |
2,6 |
2,4 |
2,2 |
2,0 |
1,8 |
1,5 |
|
100 |
2,5 |
2,4 |
2,3 |
2,2 |
2,0 |
1,8 |
1,7 |
1,5 |
1,3 |
1,0 |
|
75 |
- |
- |
1,9 |
1,8 |
1,7 |
1,5 |
1,4 |
1,2 |
1,1 |
0,8 |
|
50 |
- |
- |
1,5 |
1,4 |
1,3 |
1,2 |
1,0 |
0,9 |
0,8 |
0,6 |
|
35 |
- |
- |
- |
- |
1,0 |
0,95 |
0,85 |
0,7 |
0,6 |
0,45 |
|
25 |
- |
- |
- |
- |
0,8 |
0,75 |
0,65 |
0,55 |
0,5 |
0,35 |
|
15 |
- |
- |
- |
- |
- |
0,5 |
0,45 |
0,38 |
0,35 |
0,25 |
|
Примечания 3 Расчетные сопротивления кладки из бетонных и природных камней марки 150 и выше с ровными поверхностями и допусками по размерам, не превышающими ±2 мм, при толщине растворных швов не более 5 мм, выполненных на цементных пастах, клеевых составах допускается принимать по таблице 6 с коэффициентом 1,3. |
||||||||||
6.6 Расчетные сопротивления сжатию R кладки из пустотелых бетонных камней пустотностью до 25% при высоте ряда кладки 200-300 мм приведены в таблице 7.
Таблица 7
|
Марка камня |
Расчетные сопротивления R, МПа, сжатию кладки из бетонных камней пустотностью до 25% при высоте ряда кладки 200-300 мм |
|||||||
|
|
при марке раствора |
при прочности раствора |
||||||
|
|
100 |
75 |
50 |
25 |
10 |
4 |
0,2 |
нулевой |
|
150 |
2,7 |
2,6 |
2,4 |
2,2 |
2,0 |
1,8 |
1,7 |
1,3 |
|
125 |
2,4 |
2,3 |
2,1 |
1,9 |
1,7 |
1,6 |
1,4 |
1,1 |
|
100 |
2,0 |
1,8 |
1,7 |
1,6 |
1,4 |
1,3 |
1,1 |
0,9 |
|
75 |
1,6 |
1,5 |
1,4 |
1,3 |
1,1 |
1,0 |
0,9 |
0,7 |
|
50 |
1,2 |
1,15 |
1,1 |
1,0 |
0,9 |
0,8 |
0,7 |
0,5 |
|
35 |
- |
1,0 |
0,9 |
0,8 |
0,7 |
0,6 |
0,55 |
0,4 |
|
25 |
- |
- |
0,7 |
0,65 |
0,55 |
0,5 |
0,45 |
0,3 |
|
15 |
- |
- |
- |
0,45 |
0,4 |
0,35 |
0,3 |
0,2 |
|
Примечание - Расчетные сопротивления сжатию кладки из пустотелых шлакобетонных камней, изготовленных с применением шлаков от сжигания бурых и смешанных углей, а также кладки из гипсобетонных, пустотелых камней следует снижать в соответствии с примечаниями 1 и 2 к таблице 6. |
||||||||
Расчетное сопротивление сжатию R кладки из пустотелых бетонных камней пустотностью от 25 до 40% следует принимать по таблице 7 с учетом коэффициентов:
на растворе марки 50 и выше - 0,8;
на растворе марки 25 - 0,7;
на растворе марки 10 и ниже - 0,6.
6.7 Расчетные сопротивления сжатию кладки из природных камней (пиленых и чистой тески) при высоте ряда до 150 мм приведены в таблице 8.
Таблица 8
|
Вид кладки |
Марка камня |
Расчетные сопротивления R, МПа, сжатию кладки из природных каней низкой прочности правильной формы (пиленых и чистой тески) |
||||
|
|
|
при марке раствора |
при прочности раствора |
|||
|
|
|
25 |
10 |
4 |
0,2 |
нулевой |
|
1 Из природных камней при высоте ряда до 150 мм |
25 |
0,6 |
0,45 |
0,35 |
0,3 |
0,2 |
|
|
15 |
0,4 |
0,35 |
0,25 |
0,2 |
0,13 |
|
|
10 |
0,3 |
0,25 |
0,2 |
0,18 |
0,1 |
|
|
7 |
0,25 |
0,2 |
0,18 |
0,15 |
0,07 |
|
2 То же, при высоте ряда 200-300 мм |
10 |
0,38 |
0,33 |
0,28 |
0,25 |
0,2 |
|
|
7 |
0,28 |
0,25 |
0,23 |
0,2 |
0,12 |
|
|
4 |
- |
0,15 |
0,14 |
0,12 |
0,08 |
6.8 Расчетные сопротивления R сжатию бутовой кладки из рваного бута приведены в таблице 9.
Таблица 9
|
Марка рваного бутового камня |
Расчетные сопротивления R, МПа, сжатию бутовой кладки из рваного бута |
|||||||
|
|
при марке раствора |
при прочности раствора |
||||||
|
|
100 |
75 |
50 |
25 |
10 |
4 |
0,2 |
нулевой |
|
1000 |
2,5 |
2,2 |
1,8 |
1,2 |
0,8 |
0,5 |
0,4 |
0,33 |
|
800 |
2,2 |
2,0 |
1,6 |
1,0 |
0,7 |
0,45 |
0,33 |
0,28 |
|
600 |
2,0 |
1,7 |
1,4 |
0,9 |
0,65 |
0,4 |
0,3 |
2,2 |
|
500 |
1,8 |
1,5 |
1,3 |
0,85 |
0,6 |
0,38 |
0,27 |
0,18 |
|
400 |
1,5 |
1,3 |
1,1 |
0,8 |
0,55 |
0,33 |
0,23 |
0,15 |
|
300 |
1,3 |
1,15 |
0,95 |
0,7 |
0,5 |
0,3 |
0,2 |
0,12 |
|
200 |
1,1 |
1,0 |
0,8 |
0,6 |
0,45 |
0,28 |
0,18 |
0,08 |
|
150 |
0,9 |
0,8 |
0,7 |
0,55 |
0,4 |
0,25 |
0,17 |
0,07 |
|
100 |
0,75 |
0,7 |
0,6 |
0,5 |
0,35 |
0,23 |
0,15 |
0,05 |
|
50 |
- |
- |
0,45 |
0,35 |
0,25 |
0,2 |
0,13 |
0,03 |
|
35 |
- |
- |
0,36 |
0,29 |
0,22 |
0,18 |
0,12 |
0,02 |
|
25 |
- |
- |
0,3 |
0,25 |
0,2 |
0,15 |
0,1 |
0,02 |
|
Примечания |
||||||||
6.9 Расчетные сопротивления R сжатию бутобетона (невибрированного) приведены в таблице 10.
Таблица 10
|
Вид бутобетона |
Расчетные сопротивления R, МПа, сжатию бутобетона (невибрированного) при классе бетона |
|||||
|
|
В15 |
В12,5 |
В10 |
В7,5 |
В3,5 |
В2,5 |
|
С рваным бутовым камнем марки: |
|
|
|
|
|
|
|
200 и выше |
4 |
3,5 |
3 |
2,5 |
2,0 |
1,7 |
|
100 |
- |
- |
- |
2,2 |
1,8 |
1,5 |
|
50 или с кирпичным боем |
- |
- |
- |
2,0 |
1,7 |
1,3 |
|
Примечание - При вибрировании бутобетона расчетные сопротивления сжатию следует принимать с коэффициентом 1,15. |
||||||
6.10 Расчетные сопротивления сжатию кладки из силикатных пустотелых (с круглыми пустотами диаметром не более 35 мм и пустотностью до 25%) кирпичей толщиной 88 мм и камней толщиной 138 мм допускается принимать по таблице 2 с коэффициентами:
на растворах нулевой прочности и прочности 0,2 МПа - 0,8;
на растворах марок 4, 10, 25 и выше - соответственно 0,85, 0,9 и 1.
6.11 Расчетные сопротивления сжатию кладки при промежуточных размерах высоты ряда от 150 до 200 мм должны определяться как среднее арифметическое значений, принятых по таблицам 2 и 6, при высоте ряда от 300 до 500 мм - по интерполяции между значениями, принятыми по таблицам 5 и 6.
6.12 Расчетные сопротивления кладки сжатию, приведенные в таблицах 2-10, следует умножать на коэффициенты условий работы γc, равные:
а) 0,8 - для столбов и простенков площадью сечения 0,3 м2 и менее;
б) 0,6 - для элементов круглого сечения, выполняемых из обыкновенного (нелекального) кирпича, не армированных сетчатой арматурой;
в) 1,1 - для блоков и камней, изготовленных из тяжелых бетонов и из природного камня (γ ≥ 1800 кг/м3);
0,9 - для кладки из блоков и камней из силикатных бетонов классов по прочности выше В25;
0,8 - для кладки из блоков и камней из крупнопористых бетонов и из автоклавных ячеистых бетонов;
0,7 - для кладки из блоков и камней из неавтоклавных ячеистых бетонов;
г) 1,15 - для кладки после длительного периода твердения раствора (более года);
д) 0,85 - для кладки из силикатного кирпича на растворе с добавками поташа;
е) для зимней кладки, выполняемой способом замораживания, - на коэффициенты условий работы γc1 по таблице 34.
6.13 Расчетные сопротивления сжатию кладки из крупных пустотелых бетонных блоков различных типов устанавливаются по экспериментальным данным. При отсутствии таких данных расчетные сопротивления следует принимать по таблице 5 с коэффициентами:
|
0,9 |
при |
пустотности |
блоков |
≤ 5%; |
|
0,5 |
" |
" |
" |
≤ 25; |
|
0,25 |
" |
" |
" |
≤ 45, |
где процент пустотности определяется по среднему горизонтальному сечению.
Для промежуточных значений процента пустотности указанные коэффициенты следует определять интерполяцией.
6.14 Расчетные сопротивления сжатию кладки из природного камня, указанные в таблицах 5, 6 и 8, следует принимать с коэффициентами:
0,8 - для кладки из камней получистой тески (выступы до 10 мм);
0,7 - для кладки из камней грубой тески (выступы до 20 мм).
6.15 Расчетные сопротивления сжатию кладки из сырцового кирпича и грунтовых камней следует принимать по таблице 8 с коэффициентами:
0,7 - для кладки наружных стен в зонах с сухим климатом;
0,5 - то же, в прочих зонах;
0,8 - для кладки внутренних стен.
Сырцовый кирпич и грунтовые камни разрешается применять только для стен зданий с предполагаемым сроком службы не более 25 лет.
6.16 Расчетные сопротивления кладки из сплошных камней на цементно-известковых, цементно-глиняных и известковых растворах осевому растяжению Rt, растяжению при изгибе Rtb и главным растягивающим напряжениям при изгибе Rtw, срезу Rsq при расчете сечений кладки, проходящих по горизонтальным и вертикальным швам, приведены в таблице 11.
6.17 Расчетные сопротивления кладки из кирпича и камней правильной формы осевому растяжению Rt, растяжению при изгибе Rtb, срезу Rsq и главным растягивающим напряжениям при изгибе Rtw при расчете кладки по перевязанному сечению, проходящему по кирпичу или камню, приведены в таблице 11.
Таблица 11
|
Вид напряженного состояния |
Обозначения |
Расчетные сопротивления R, МПа, кладки из сплошных камней на цементно-известковых, цементно-глиняных и известковых растворах осевому растяжению, растяжению при изгибе, срезу и главным растягивающим напряжениям при изгибе при расчете сечений кладки, проходящих по горизонтальным и вертикальным швам |
||||
|
|
|
при марке раствора |
при прочности раствора 0,2 |
|||
|
|
|
50 и выше |
25 |
10 |
4 |
|
|
А Осевое растяжение |
Rt |
|
|
|
|
|
|
1 По неперевязанному сечению для кладки всех видов (нормальное сцепление; рисунок 1) |
|
0,08 |
0,05 |
0,03 |
0,01 |
0,005 |
|
2 По перевязанному сечению (рисунок 2): |
|
|
|
|
|
|
|
а) для кладки из камней правильной формы |
|
0,16 |
0,11 |
0,05 |
0,02 |
0,01 |
|
б) для бутовой кладки |
|
0,12 |
0,08 |
0,04 |
0,02 |
0,01 |
|
Б Растяжение при изгибе |
Rtb(Rtw) |
|
|
|
|
|
|
3 По неперевязанному сечению для кладки всех видов и по косой штробе (главные растягивающие напряжения при изгибе) |
|
0,12 |
0,08 |
0,04 |
0,02 |
0,01 |
|
4 По перевязанному сечению (рисунок 3): |
|
|
|
|
|
|
|
а) для кладки из камней правильной формы |
|
0,25 |
0,16 |
0,08 |
0,04 |
0,02 |
|
б) для бутовой кладки |
|
0,18 |
0,12 |
0,06 |
0,03 |
0,015 |
|
В Срез |
Rsq |
|
|
|
|
|
|
5 По неперевязанному сечению для кладки всех видов (касательное сцепление) |
|
0,16 |
0,11 |
0,05 |
0,02 |
0,01 |
|
6 По перевязанному сечению для бутовой кладки |
|
0,24 |
0,16 |
0,08 |
0,04 |
0,02 |
|
Примечания |
||||||

Рисунок 1 - Растяжение кладки по неперевязанному сечению

Рисунок 2 - Растяжение кладки по перевязанному сечению

Рисунок 3 - Растяжение кладки при изгибе по перевязанному сечению
Таблица 12
|
Вид напряженного состояния |
Обозначение |
Расчетные сопротивления R, МПа, кладки из кирпича и камней правильной формы осевому растяжению, растяжению при изгибе, срезу и главным растягивающим напряжениям при изгибе при расчете кладки по перевязанному сечению, проходящему по кирпичу или камню, при марке изделия |
||||||||
|
|
|
200 |
150 |
100 |
75 |
50 |
35 |
25 |
15 |
10 |
|
1 Осевое растяжение |
Rt |
0,25 |
0,2 |
0,18 |
0,13 |
0,1 |
0,08 |
0,06 |
0,05 |
0,03 |
|
2 Растяжение при изгибе и главные растягивающие напряжения |
Rtb(Rtw) |
0,4 |
0,3 |
0,25 |
0,2 |
0,16 |
0,12 |
0,1 |
0,07 |
0,05 |
|
3 Срез |
Rsq |
1,0 |
0,8 |
0,65 |
0,55 |
0,4 |
0,3 |
0,2 |
0,14 |
0,09 |
|
Примечания |
||||||||||
6.18 Расчетные сопротивления бутобетона осевому растяжению Rt, главным растягивающим напряжениям Rtw и растяжению при изгибе Rtb приведены в таблице 13.
Таблица 13
|
Вид напряженного состояния |
Обозначение |
Расчетные сопротивления R, МПа, бутобетона осевому растяжению, главным растягивающим напряжениям и растяжению при изгибе при классе бетона |
|||||
|
|
|
В15 |
В12,5 |
В7,5 |
В5 |
В3,5 |
В2,5 |
|
1 Осевое растяжение и главные растягивающие напряжения |
Rt |
0,2 |
0,18 |
0,16 |
0,14 |
0,12 |
0,1 |
|
2 Растяжение при изгибе |
Rtb |
0,27 |
0,25 |
0,23 |
0,2 |
0,18 |
0,16 |
6.19 Расчетные сопротивления кладки из природного камня для всех видов напряженного состояния допускается уточнять по специальным указаниям, составленным на основе экспериментальных исследований и утвержденным в установленном порядке.
6.20 Расчетные сопротивления арматуры Rs, принимаемые в соответствии с СП 63.13330, следует умножать в зависимости от вида армирования конструкций на коэффициенты условий работы γcs, приведенные в таблице 14.
Таблица 14
|
Вид армирования конструкций |
Коэффициенты условий работы γcs для арматуры классов |
||
|
|
А240 |
А300 |
В500 |
|
1 Сетчатое армирование |
0,75 |
- |
0,6 |
|
2 Продольная арматура в кладке: |
|
|
|
|
а) продольная арматура растянутая |
0,8 |
0,9 |
0,7 |
|
б) то же, сжатая |
0,85 |
0,7 |
0,6 |
|
в) отогнутая арматура и хомуты |
0,8 |
0,8 |
0,6 |
|
3 Анкеры и связи в кладке: |
|
|
|
|
а) на растворе марки 25 и выше |
0,9 |
0,9 |
0,8 |
|
б) на растворе марки 10 и ниже |
0,5 |
0,5 |
0,6 |
|
Примечания |
|||
Модули упругости и деформаций кладки при кратковременной и длительной нагрузке, упругие характеристики кладки, деформации усадки, коэффициенты линейного расширения и трения
6.21 Модуль упругости (начальный модуль деформаций) кладки E0 при кратковременной нагрузке должен приниматься равным:
для неармированной кладки
E0 = αRu; (1)
для кладки с продольным армированием
E0 = αRsku. (2)
В формулах (1) и (2) α - упругая характеристика кладки, принимается по таблице 16.
Модуль упругости кладки с сетчатым армированием принимается таким же, как для неармированной кладки.
Для кладки с продольным армированием упругую характеристику следует принимать такой же, как для неармированной кладки; Ru - временное сопротивление (средний предел прочности) сжатию кладки, определяемое по формуле
Ru = kR, (3)
где k - коэффициент, принимаемый по таблице 15;
R - расчетные сопротивления сжатию кладки, принимаемые по таблицам 2-10 с учетом коэффициентов, приведенных в примечаниях к этим таблицам, а также в 6.10-6.15.
Таблица 15
|
Вид кладки |
Коэффициент k |
|
1 Из кирпича и камней всех видов, из крупных блоков, рваного бута и бутобетона, кирпичная вибрированная |
2,0 |
|
2 Из крупных и мелких блоков из ячеистых бетонов |
2,2 |
Таблица 16
|
Вид кладки |
Упругая характеристика α |
||||
|
|
при марках раствора |
при прочности раствора |
|||
|
|
25-200 |
10 |
4 |
0,2 |
нулевой |
|
1 Из крупных блоков, изготовленных из тяжелого и крупнопористого бетона на тяжелых заполнителях и из тяжелого природного камня (γ ≥ 1800 кг/м3) |
1500 |
1000 |
750 |
750 |
500 |
|
2 Из камней, изготовленных из тяжелого бетона, тяжелых природных камней и бута |
1500 |
1000 |
750 |
500 |
350 |
|
3 Из крупных блоков, изготовленных из бетона на пористых заполнителях и поризованного, крупнопористого бетона на легких заполнителях, плотного силикатного бетона и из легкого природного камня |
1000 |
750 |
500 |
500 |
350 |
|
4 Из крупных блоков, изготовленных из ячеистых бетонов: |
|
|
|
|
|
|
автоклавных |
750 |
750 |
500 |
500 |
350 |
|
неавтоклавных |
500 |
500 |
350 |
350 |
350 |
|
5 Из камней, изготовленных из ячеистых бетонов: |
|
|
|
|
|
|
автоклавных |
750 |
500 |
350 |
350 |
200 |
|
неавтоклавных |
500 |
350 |
200 |
200 |
200 |
|
6 Из керамических камней (кроме крупноформатных) |
1200 |
1000 |
750 |
500 |
350 |
|
7 Из кирпича керамического пластического прессования полнотелого и пустотелого, из пустотелых силикатных камней, из камней, изготовленных из бетона на пористых заполнителях и поризованного, из легких природных камней |
1000 |
750 |
500 |
350 |
200 |
|
8 Из кирпича силикатного полнотелого и пустотелого |
750 |
500 |
350 |
350 |
200 |
|
9 Из кирпича керамического полусухого прессования полнотелого и пустотелого |
500 |
500 |
350 |
350 |
200 |
|
Примечания |
|||||
Упругую характеристику кладки с сетчатым армированием следует определять по формуле
αsk = αRu/Rsku. (4)
В формулах (2) и (4) Rsku - временное сопротивление (средний предел прочности) сжатию армированной кладки из кирпича или камней при высоте ряда не более 150 мм, определяемое по формулам:
для кладки с продольной арматурой
Rsku = kR + Rsnμ/100 , (5)
для кладки с сетчатой арматурой
Rsku = kR + 2Rsnμ/100 ; (6)
μ - процент армирования кладки;
для кладки с продольной арматурой
μ = 100As/Ak ,
где As и Ak - соответственно площади сечения арматуры и кладки, для кладки с сетчатой арматурой μ определяется по 7.31;
Rsn - нормативные сопротивления арматуры в армированной кладке, принимаемые для сталей классов А240 и A300 в соответствии с СП 63.13330, а для стали класса В500 - с коэффициентом условий работы 0,6 также по СП 63.13330.
6.22 Модуль деформаций кладки E должен приниматься:
а) при расчете конструкций по прочности для определения усилий в кладке при знакопеременных и малоцикловых нагружениях (для определения усилий в затяжках сводов, в слоях сжатых многослойных сечений, усилий, вызываемых температурными деформациями, при расчете кладки над рандбалками или под распределительными поясами) по формуле
E = 0,5E0 , (7)
где E0 - модуль упругости (начальный модуль деформаций) кладки, определяемый по формулам (1) и (2).
б) при определении деформаций кладки от продольных или поперечных сил, усилий в статически неопределимых рамных системах, в которых элементы конструкций из кладки работают совместно с элементами из других материалов, периода колебаний каменных конструкций, жесткости конструкций по формуле
E = 0,8E0. (7а)
6.23 Для нелинейных расчетов относительные деформации кладки ε при кратковременной нагрузке могут определяться при любых напряжениях по формуле
. (8)
При зависимости между напряжениями и деформациями по формуле (8) тангенциальный модуль деформаций определяется по формуле
. (8а)
6.24 Относительная деформация кладки с учетом ползучести определяется по формуле
ε = vσ/E0, (9)
где σ - напряжение, при котором определяется ε
v - коэффициент, учитывающий влияние ползучести кладки:
v = 1,8 - для кладки из керамических камней, в том числе крупноформатных, с вертикальными щелевидными пустотами (высота камня от 138 до 220 мм);
v = 2,2 - для кладки из керамического кирпича пластического и полусухого прессования;
v = 2,8 - для кладки из крупных блоков или камней, изготовленных из тяжелого бетона;
v = 3,0 - для кладки из силикатного кирпича и камней полнотелых и пустотелых, а также из камней, изготовленных из бетона на пористых заполнителях или поризованного и силикатных крупных блоков;
v = 3,5 - для кладки из мелких и крупных блоков или камней, изготовленных из автоклавных ячеистых бетонов;
v = 4,0 - то же, из неавтоклавных ячеистых бетонов и полистиролбетонов.
6.25 Модуль упругости кладки E0 при постоянной и длительной нагрузке с учетом ползучести следует уменьшать путем деления его на коэффициент ползучести v.
6.26 Модуль упругости и деформаций кладки из природных камней допускается принимать на основе результатов экспериментальных исследований и утвержденным в установленном порядке.
6.27 Деформации усадки кладки из керамического кирпича и керамических камней, в том числе крупноформатных, не учитываются.
Деформации усадки следует принимать для кладок:
из кирпича, камней, мелких и крупных блоков, изготовленных на силикатном или цементном вяжущем, - 3·10-4;
из камней и блоков, изготовленных из автоклавных ячеистых бетонов на песке и вторичных продуктах обогащения различных руд, - 4·10-4;
то же, из автоклавных бетонов на золе - 6·10-4.
6.28 Модуль сдвига кладки следует принимать равным G = 0,4E0, где E0 - модуль упругости при сжатии.
6.29 Величины коэффициентов линейного расширения кладки следует принимать по таблице 17.
Таблица 17
|
Материал кладки |
Коэффициент линейного расширения кладки αt, град.-1 |
|
1 Кирпич керамический полнотелый, пустотелый и керамические камни |
0,000005 |
|
2 Кирпич силикатный, камни и блоки бетонные и бутобетон |
0,00001 |
|
3 Природные камни, камни и блоки из ячеистых бетонов |
0,000008 |
|
Примечание - Величины коэффициентов линейного расширения для кладки из полистиролбетонов и других материалов допускается принимать по опытным данным. |
|
6.30 Коэффициент трения μтр следует принимать по таблице 18.
Таблица 18
|
Материал |
Коэффициент трения μтр при состоянии поверхности |
|
|
|
сухом |
влажном |
|
1 Кладка по кладке или бетону |
0,7 |
0,6 |
|
2 Дерево по кладке или бетону |
0,6 |
0,5 |
|
3 Сталь по кладке или бетону |
0,45 |
0,35 |
|
4 Кладка и бетон по песку или гравию |
0,6 |
0,5 |
|
5 То же, по суглинку |
0,55 |
0,4 |
|
6 То же, по глине |
0,5 |
0,3 |
7 Расчет элементов конструкций по предельным состояниям первой группы (по несущей способности)
Центрально-сжатые элементы
7.1 Расчет элементов неармированных каменных конструкций при центральном сжатии следует производить по формуле
N ≤ mgφRA, (10)
где N - расчетная продольная сила;
R - расчетное сопротивление сжатию кладки, определяемое по таблицам 2-10;
φ - коэффициент продольного изгиба, определяемый по 7.2;
A - площадь сечения элемента;
mg - коэффициент, учитывающий влияние длительной нагрузки и определяемый по формуле (16) при E0g = 0.
При меньшем размере прямоугольного поперечного сечения элементов h ≥ 30 см (или с меньшим радиусом инерции элементов любого сечения i ≥ 8,7 см) коэффициент mg следует принимать равным единице.
7.2 Коэффициент продольного изгиба φ для элементов постоянного по длине сечения следует принимать по таблице 19 в зависимости от гибкости элемента
λi = l0 / i (11)
или прямоугольного сплошного сечения при отношении
λh = l0 / h (12)
и упругой характеристики кладки α, принимаемой по таблице 17, а для кладки с сетчатым армированием - по формуле (4).
Таблица 19
|
Гибкость |
Коэффициент продольного изгиба φ при упругих характеристиках кладки α |
|||||||
|
λh |
λi |
1500 |
1000 |
750 |
500 |
350 |
200 |
100 |
|
4 |
14 |
1 |
1 |
1 |
0,98 |
0,94 |
0,9 |
0,82 |
|
6 |
21 |
0,98 |
0,96 |
0,95 |
0,91 |
0,88 |
0,81 |
0,68 |
|
8 |
28 |
0,95 |
0,92 |
0,9 |
0,85 |
0,8 |
0,7 |
0,54 |
|
10 |
35 |
0,92 |
0,88 |
0,84 |
0,79 |
0,72 |
0,6 |
0,43 |
|
12 |
42 |
0,88 |
0,84 |
0,79 |
0,72 |
0,64 |
0,51 |
0,34 |
|
14 |
49 |
0,85 |
0,79 |
0,73 |
0,66 |
0,57 |
0,43 |
0,28 |
|
16 |
56 |
0,81 |
0,74 |
0,68 |
0,59 |
0,5 |
0,37 |
0,23 |
|
18 |
63 |
0,77 |
0,7 |
0,63 |
0,53 |
0,45 |
0,32 |
- |
|
22 |
76 |
0,69 |
0,61 |
0,53 |
0,43 |
0,35 |
0,24 |
- |
|
26 |
90 |
0,61 |
0,52 |
0,45 |
0,36 |
0,29 |
0,2 |
- |
|
30 |
104 |
0,53 |
0,45 |
0,39 |
0,32 |
0,25 |
0,17 |
- |
|
34 |
118 |
0,44 |
0,38 |
0,32 |
0,26 |
0,21 |
0,14 |
- |
|
38 |
132 |
0,36 |
0,31 |
0,26 |
0,21 |
0,17 |
0,12 |
- |
|
42 |
146 |
0,29 |
0,25 |
0,21 |
0,17 |
0,14 |
0,09 |
- |
|
46 |
160 |
0,21 |
0,18 |
0,16 |
0,13 |
0,1 |
0,07 |
- |
|
50 |
173 |
0,17 |
0,15 |
0,13 |
0,1 |
0,08 |
0,05 |
- |
|
54 |
187 |
0,13 |
0,12 |
0,1 |
0,08 |
0,06 |
0,04 |
- |
|
Примечания |
||||||||
В формулах (11) и (12):
l0 - расчетная высота (длина) элемента, определяемая согласно указаниям 7.3;
i - наименьший радиус инерции сечения элемента;
h - меньший размер прямоугольного сечения.
7.3 Расчетные высоты стен и столбов l0 при определении коэффициентов продольного изгиба φ в зависимости от условий опирания их на горизонтальные опоры следует принимать:
а) при неподвижных шарнирных опорах l0 = H (рисунок 4, а);
б) при упругой верхней опоре и жестком защемлении в нижней опоре: для однопролетных зданий l0 = 1.5H, для многопролетных зданий l0 = 1.25H (рисунок 4, б);
в) для свободно стоящих конструкций l0 = 2H (рисунок 4, в);
г) для конструкций с частично защемленными опорными сечениями - с учетом фактической степени защемления, но не менее l0 = 0.8H, где H - расстояние между перекрытиями или другими горизонтальными опорами, при железобетонных горизонтальных опорах - расстояние между ними в свету.

а - шарнирно опертых на неподвижные опоры; б - защемленных внизу и имеющих верхнюю упругую опору; в - свободно стоящих
Рисунок 4 - Коэффициенты φ и mg по высоте сжатых стен и столбов
Примечания
1 При жестких опорах (см. 9.7) и заделке в стены сборных железобетонных перекрытий принимается l0 = 0.9H, а при монолитных железобетонных перекрытиях, опираемых на стены по четырем сторонам, l0 = 0.8H.
2 Если нагрузкой является только собственная масса элемента в пределах рассчитываемого участка, то расчетную высоту l0 сжатых элементов, указанную в 7.3, следует уменьшить путем умножения на коэффициент 0,75.
7.4 Значения коэффициентов φ и mg для стен и столбов, опирающихся на шарнирные неподвижные опоры, с расчетной высотой l0 = H (см. 7.3) при расчете сечений, расположенных в средней трети высоты l0, следует принимать постоянными, равными расчетным значениям φ и mg, определенным для данного элемента. При расчете сечений на участках в крайних третях l0 коэффициенты φ и mg увеличиваются по линейному закону до единицы на опоре (рисунок 4, а).
Для стен и столбов, имеющих нижнюю защемленную и верхнюю упругую опоры, при расчете сечений нижней части стены или столба до высоты 0,7H принимаются расчетные значения φ и mg, а при расчете сечений верхней части стены или столба значения φ и mg для этих сечений увеличиваются до единицы по линейному закону (рисунок 4, б).
Для свободно стоящих стен и столбов при расчете сечений в их нижней части (до высоты 0,5H) принимаются расчетные значения φ и mg, а в верхней половине значения φ и mg увеличиваются до единицы по линейному закону (рисунок 4, в).
В месте пересечения продольной и поперечной стен, при условии их надежного взаимного соединения, коэффициенты φ и mg разрешается принимать равными 1. На расстоянии H от пересечения стен коэффициенты φ и mg определяются по 7.1-7.3. Для промежуточных вертикальных участков коэффициенты φ и mg принимаются интерполяцией.
7.5 В стенах, ослабленных проемами, при расчете простенков коэффициент φ принимается по гибкости стены.
Для узких простенков, ширина которых меньше толщины стены, производится также расчет простенка в плоскости стены, при этом расчетная высота простенка принимается равной высоте проема.
7.6 Для ступенчатых стен и столбов, верхняя часть которых имеет меньшее поперечное сечение, коэффициенты φ и mg определяются:
а) при опирании стен (столбов) на неподвижные шарнирные опоры - по высоте l0 = H (H - высота стены или столба согласно 7.3) и наименьшему сечению, расположенному в средней трети высоты H;
б) при упругой верхней опоре или при ее отсутствии - по расчетной высоте l0, определенной согласно 7.3, и сечению у нижней опоры, а при расчете верхнего участка стены (столба) высотой H1 - по расчетной высоте l01 и поперечному сечению этого участка; l01определяется так же, как l0, но при H = H1.
Внецентренно сжатые элементы
7.7 Расчет внецентренно сжатых неармированных элементов каменных конструкций следует производить по формуле
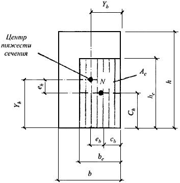
N ≤ mgφ1RAcω, (13)
где Ac - площадь сжатой части сечения при прямоугольной эпюре напряжений (рисунок 5), определяемая из условия, что ее центр тяжести совпадает с точкой приложения расчетной продольной силы N. Положение границы площади Ac определяется из условия равенства нулю статического момента этой площади относительно ее центра тяжести для прямоугольного сечения
Ac = A (1-2e0/h), (14)
φ1 = (φ + φc)/2, (15)

Рисунок 5 - Внецентренное сжатие
В формулах (13)-(15):
R - расчетное сопротивление кладки сжатию;
A - площадь сечения элемента;
h - высота сечения в плоскости действия изгибающего момента;
e0 - эксцентриситет расчетной силы N относительно центра тяжести сечения;
φ - коэффициент продольного изгиба для всего сечения в плоскости действия изгибающего момента, определяемый по расчетной высоте элемента l0 (см. 7.2, 7.3), по таблице 19;
φc - коэффициент продольного изгиба для сжатой части сечения, определяемый по фактической высоте элемента H по таблице 18 в плоскости действия изгибающего момента при отношении
λhc = H / hc
или гибкости
λic = H / hc,
где hc и ic - высота и радиус инерции сжатой части поперечного сечения Ac в плоскости действия изгибающего момента.
Для прямоугольного сечения hc = h - 2e0.
Для таврового сечения (при e0 > 0,45y) допускается приближенно принимать Ac = 2(y - e0)b и hc = 2(y - e0), где y - расстояние от центра тяжести сечения элемента до его края в сторону эксцентриситета; b - ширина сжатой полки или толщина стенки таврового сечения в зависимости от направления эксцентриситета.
При знакопеременной эпюре изгибающего момента по высоте элемента (рисунок 6) расчет по прочности следует производить в сечениях с максимальными изгибающими моментами различных знаков. Коэффициент продольного изгиба φc следует определять по высоте части элемента в пределах однозначной эпюры изгибающего момента при отношениях или гибкостях
λh1c = H1 / hc1 или λi1c = H1 / ic1
и λh2c = H2 / hc2 или λi2c = H2 / ic2,
hc1; ic1 и hc2; ic2 - высоты и радиусы инерции сжатой части элементов в сечениях с максимальными изгибающими моментами;
ω - коэффициент, определяемый по формулам, приведенным в таблице 20;
mg - коэффициент, определяемый по формуле
mg = 1 - ηNg/N(1 + 1,2e0g/h) ,(16)
где Ng - расчетная продольная сила от длительных нагрузок;
η - коэффициент, принимаемый по таблице 21;
e0g - эксцентриситет от действия длительных нагрузок.

Рисунок 6 - Знакопеременная эпюра изгибающего момента для внецентренно сжатого элемента
Таблица 20
|
Вид кладки |
Значения ω для сечений |
|
|
|
произвольной формы |
прямоугольного |
|
1 Кладка всех видов, кроме указанных в поз.2 |
1 + e0/2y ≤ 1,45 |
1 + e0/h ≤ 1,45 |
|
2 Кладка из керамических кирпича, камней и блоков пустотностью более 25%; из камней и крупных блоков, изготовленных из ячеистых, полистиролбетонов и крупнопористых бетонов; из природных камней (включая бут) |
1 |
1 |
|
Примечание - Если 2y < h, то при определении коэффициента ω вместо 2y следует принимать h. |
||
Таблица 21
|
Гибкость |
Коэффициент η для кладки |
||||
|
λh |
λi |
из керамических кирпича и камней; из камней и крупных блоков из тяжелого бетона; из природных камней всех видов |
из силикатного кирпича и силикатных камней; камней из бетона на пористых заполнителях; крупных блоков из ячеистого бетона |
||
|
|
|
при проценте продольного армирования |
|||
|
|
|
0,1 и менее |
0,3 и более |
0,1 и менее |
0,3 и более |
|
≤ 10 |
≤ 35 |
0 |
0 |
0 |
0 |
|
12 |
42 |
0,04 |
0,03 |
0,05 |
0,03 |
|
14 |
49 |
0,08 |
0,07 |
0,09 |
0,08 |
|
16 |
56 |
0,12 |
0,09 |
0,14 |
0,11 |
|
18 |
63 |
0,15 |
0,13 |
0,19 |
0,15 |
|
20 |
70 |
0,20 |
0,16 |
0,24 |
0,19 |
|
22 |
76 |
0,24 |
0,20 |
0,29 |
0,22 |
|
24 |
83 |
0,27 |
0,23 |
0,33 |
0,26 |
|
26 |
90 |
0,31 |
0,26 |
0,38 |
0,30 |
|
Примечание - Для неармированной кладки значения коэффициента η следует принимать как для кладки с армированием 0,1% и менее. При проценте армирования более 0,1 и менее 0,3 коэффициент η определяется интерполяцией. |
|||||
При h ≥ 30 см или i ≥ 8,7 см коэффициент mg следует принимать равным единице.
7.8 При e0 ≥ 0,7y, кроме расчета внецентренно сжатых элементов по формуле (13), следует производить расчет по раскрытию трещин в швах кладки согласно указаниям 8.3.
7.9 При расчете несущих и самонесущих стен (см. 9.6) толщиной 25 см и менее следует учитывать случайный эксцентриситет ev, который должен суммироваться с эксцентриситетом продольной силы.
Величину случайного эксцентриситета следует принимать равной: для несущих стен - 2 см; для самонесущих стен, а также для отдельных слоев трехслойных несущих стен - 1 см; для перегородок и ненесущих стен, а также заполнений фахверковых стен случайный эксцентриситет допускается не учитывать.
7.10 Наибольшая величина эксцентриситета (с учетом случайного) во внецентренно сжатых конструкциях без продольной арматуры в растянутой зоне не должна превышать: для основных сочетаний нагрузок - 0,9y, для особых - 0,95y; в стенах толщиной 25 см и менее: для основных сочетаний нагрузок - 0,8y, для особых - 0,85y, при этом расстояние от точки приложения силы до более сжатого края сечения для несущих стен и столбов должно быть не менее 2 см.
7.11 Элементы, работающие на внецентренное сжатие, должны быть проверены расчетом на центральное сжатие в плоскости, перпендикулярной к плоскости действия изгибающего момента в тех случаях, когда ширина их поперечного сечения b < h.
Косое внецентренное сжатие
7.12 Расчет элементов при косом внецентренном сжатии следует производить по формуле (13) при прямоугольной эпюре напряжений в обоих направлениях. Площадь сжатой части сечения Ac условно принимается в виде прямоугольника, центр тяжести которого совпадает с точкой приложения силы и две стороны ограничены контуром сечения элемента (рисунок 7), при этом hc = 2ch; bc = 2cb и Ac = 4chcb, где ch и cb - расстояния от точки приложения силы N до ближайших границ сечения.

Рисунок 7 - Расчетная схема прямоугольного сечения при косом внецентренном сжатии
В случаях сложного по форме сечения для упрощения расчета допускается принимать прямоугольную часть сечения без учета участков, усложняющих его форму (рисунок 8).

Рисунок 8 - Расчетная схема сложного сечения при косом внецентренном сжатии; площади A1 и A2 в расчете не учитываются
Величины w*, φ1 и mg определяются дважды:
а) при высоте сечения h или радиусе инерции ih и эксцентриситете eh в направлении h;
б) при высоте сечения b или радиусе инерции ib и эксцентриситете eb в направлении b.
За расчетную несущую способность принимается меньшая из двух величин, вычисленных по формуле (13) при двух значениях w*, φ1 и mg.
Если eb > 0,7cb или eh = 0,7ch, то кроме расчета по несущей способности должен производиться расчет по раскрытию трещин в соответствующем направлении по указаниям 8.3.
Смятие (местное сжатие)
7.13 Расчет сечений на смятие при распределении нагрузки на части площади сечения следует производить по формуле
Nc ≤ ΨdRcAc, (17)
где Nc - продольная сжимающая сила от местной нагрузки;
Rc - расчетное сопротивление кладки на смятие, определяемое согласно указаниям 7.14;
Ac - площадь смятия, на которую передается нагрузка;
d = 1.5 - 0.5Ψ - для кирпичной и виброкирпичной кладки, а также кладки из сплошных камней или блоков, изготовленных из тяжелого и легкого бетонов;
d = 1 - для кладки из пустотелых бетонных или сплошных камней и блоков из крупнопористого и ячеистого бетонов; крупноформатных керамических камней;
Ψ - коэффициент полноты эпюры давления от местной нагрузки.
При равномерном распределении давления Ψ = 1, при треугольной эпюре давления Ψ = 0.5.
Если под опорами изгибаемых элементов не требуется установка распределительных плит, то допускается принимать Ψ = 0.75 - для кладок из материалов, указанных в позициях 1 и 2 таблицы 22, и Ψ = 0,5 - для кладок из материалов, указанных в позиции 3 этой таблицы.
7.14 Расчетное сопротивление кладки на смятие Rc следует определять по формуле
Rc = ξR (18)
, (19)
где A - расчетная площадь сечения, определяемая согласно указаниям 7.16;
ξ1 - коэффициент, зависящий от материала кладки и места приложения нагрузки, определяется по таблице 22.
Таблица 22
|
Материал кладки |
ξ1, для нагрузок по схеме |
|||
|
|
Рисунок 9, а, в, в1, д, ж |
Рисунок 9, б, г, е, з |
||
|
|
местная нагрузка |
сумма местной и основной нагрузок |
местная нагрузка |
сумма местной и основной нагрузок |
|
1 Полнотелый кирпич, сплошные камни и крупные блоки из тяжелого бетона или бетона на пористых заполнителях класса В3,5 и выше |
2 |
2 |
1 |
1,2 |
|
2 Керамические кирпич и камни с пустотами (кроме крупноформатных), бутобетон |
1,5 |
2 |
1 |
1,2 |
|
3 Пустотелые бетонные камни и блоки. Сплошные камни и блоки из бетона М35. Камни и блоки из ячеистого бетона и природного камня |
1,2 |
1,5 |
1 |
1 |
|
4 Для всех типов кладки при растворе марки |
1 |
1 |
1 |
1 |
|
Примечания 1 Для кладок всех видов на неотвердевшем растворе или на замороженном растворе в период его оттаивания при зимней кладке, выполненной способом замораживания, принимаются значения ξ1, указанные в поз.3 настоящей таблицы.
2 Для кирпича, камней и блоков пустотностью более 25% значение коэффициента ξ1 принимается равным 1.
3 Для керамических поризованных крупноформатных камней значение коэффициента ξ1 принимается равным 0,8.
4 Для полистиролбетонных блоков значение ξ1, принимается по экспериментальным данным.
|
||||

а-з - различные случаи местного сжатия
Рисунок 9 - Определение расчетных площадей сечений при смятии (местном сжатии)
При расчете на смятие кладки с сетчатым армированием расчетное сопротивление кладки Rc принимается в формуле (17) большим из двух значений: Rc, определяемого по формуле (18) для неармированной кладки, или Rc = Rsk, где Rsk - расчетное сопротивление кладки с сетчатым армированием при осевом сжатии, определяемое по формуле (27) или (28).
7.15 При одновременном действии местной (опорные реакции балок, прогонов, перекрытий и т.п.) и основной нагрузок (вес вышележащей кладки и нагрузка, передающаяся на эту кладку) расчет производится раздельно на местную нагрузку и на сумму местной и основной нагрузок, при этом принимаются различные значения ξ1 согласно таблице 22.
При расчете на сумму местной и основной нагрузок разрешается учитывать только ту часть местной нагрузки, которая будет приложена до загружения площади смятия основной нагрузкой.
Примечание - В случае, когда площадь сечения достаточна для восприятия одной лишь местной нагрузки, но недостаточна для восприятия суммы местной и основной нагрузок, допускается устранять передачу основной нагрузки на площадь смятия путем устройства промежутка или укладки мягкой прокладки над опорным концом прогона, балки или перемычки.
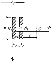
7.16 Расчетная площадь сечения A определяется по следующим правилам:
а) при площади смятия, включающей всю толщину стены, в расчетную площадь смятия включаются участки длиной не более толщины стены в каждую сторону от границы местной нагрузки (см. рисунок 9, а);
б) при площади смятия, расположенной на краю стены по всей ее толщине, расчетная площадь равна площади смятия, а при расчете на сумму местной и основной нагрузок принимается также расчетная площадь, указанная на рисунке 9, б пунктиром;
в) при опирании на стену концов прогонов и балок в расчетную площадь смятия включается площадь сечения стены шириной, равной глубине заделки опорного участка прогона или балки, и длиной не более расстояния между осями двух соседних пролетов между балками (рисунок 9, в); если расстояние между балками превышает двойную толщину стены, длина расчетной площади сечения определяется как сумма ширины балки bc и удвоенной толщины стены h (рисунок 9, в1);
г) при смятии под краевой нагрузкой, приложенной к угловому участку стены, расчетная площадь равна площади смятия, а при расчете на сумму местной и основной нагрузок принимается расчетная площадь, ограниченная на рисунке 9, г пунктиром;
д) при площади смятия, расположенной на части длины и ширины сечения, расчетная площадь принимается согласно рисунку 9, д. Если площадь смятия расположена вблизи от края сечения, то при расчете на сумму местной и основной нагрузок принимается расчетная площадь сечения, не меньшая, чем определяемая по рисунку 9, г, при приложении той же нагрузки к угловому участку стены;
е) при площади смятия, расположенной в пределах пилястры, расчетная площадь равна площади смятия, а при расчете на сумму местной и основной нагрузок принимается расчетная площадь, ограниченная на рисунке 9, е пунктиром;
ж) при площади смятия, расположенной в пределах пилястры и части стены или простенка, увеличение расчетной площади по сравнению с площадью смятия следует учитывать только для нагрузки, равнодействующая которой приложена в пределах полки (стены) или же в пределах ребра (пилястры) с эксцентриситетом e0 %gt; 1 / 6L в сторону стены (где L - длина площади смятия, e0 - эксцентриситет по отношению к оси площади смятия). В этих случаях в расчетную площадь сечения включается кроме площади смятия часть площади сечения полки шириной C, равной глубине заделки опорной плиты в кладку стены и длиной в каждую сторону от края плиты не более толщины стены (рисунок 9, ж);
з) если сечение имеет сложную форму, не допускается учитывать при определении расчетной площади сечения участки, связь которых с загруженным участком недостаточна для перераспределения давления (участки 1 и 2 на рисунке 9, з).
Примечание - Во всех случаях, приведенных на рисунке 9, в расчетную площадь сечения A включается площадь смятия Ac.
7.17 При опирании на край кладки изгибаемых элементов (балок, прогонов и т.п.) без распределительных плит или с распределительными плитами, которые могут поворачиваться вместе с концами элемента, длина опорного участка элемента должна приниматься по расчету. При этом плита обеспечивает распределение нагрузки только по своей ширине в направлении, перпендикулярном изгибаемому элементу.
Указания настоящего пункта не распространяются на расчет опор висячих стен, который производится согласно 7.13 и 9.5.
Примечания
1 При необходимости увеличения площади смятия под опорными плитами следует укладывать на них стальные прокладки, фиксирующие положение опорного давления.
2 Конструктивные требования к участкам кладки, загруженным местными нагрузками, приводятся в 9.40-9.43.
Изгибаемые элементы
7.18 Расчет изгибаемых неармированных элементов следует производить по формуле
M ≤ RtbW, (20)
где M - расчетный изгибающий момент;
W - момент сопротивления сечения кладки при упругой ее работе;
Rtb - расчетное сопротивление кладки растяжению при изгибе по перевязанному сечению (см. таблицы 11-13).
Расчет изгибаемых неармированных элементов на поперечную силу следует производить по формуле
Q ≤ Rtwbz, (21)
где Rtw - расчетное сопротивление кладки главным растягивающим напряжениям при изгибе, по таблицам 12-14;
b - ширина сечения;
z - плечо внутренней пары сил, для прямоугольного сечения, z = 2/3 h.
Примечание - Проектирование элементов каменных конструкций, работающих на изгиб по неперевязанному сечению, не допускается.
Центрально-растянутые элементы
7.19 Расчет элементов неармированных каменных конструкций на прочность при осевом растяжении следует производить по формуле
N ≤ RtAn, (22)
где N - расчетная осевая сила при растяжении;
Rt - расчетное сопротивление кладки растяжению, принимаемое по таблицам 10-12 по перевязанному сечению;
An - расчетная площадь сечения нетто.
Примечание - Проектирование элементов каменных конструкций, работающих на осевое растяжение по неперевязанному сечению, не допускается.
Срез
7.20 Расчет неармированной кладки на срез по горизонтальным неперевязанным швам и перевязанным швам кладки следует производить по формуле
Q ≤ (Rsq + 0.8nμσ0 ), (23)
где Rsq - расчетное сопротивление срезу (см. таблицу 11);
μ - коэффициент трения по шву кладки, принимаемый для кладки из кирпича и камней правильной формы равным 0,7;
σ0 - среднее напряжение сжатия при наименьшей расчетной нагрузке, определяемой с коэффициентом надежности по нагрузке 0,9;
n - коэффициент, принимаемый равным 1,0 для кладки из полнотелого кирпича и камней и равным 0,5 для кладки из пустотелого кирпича и камней с вертикальными пустотами, а также для кладки из рваного бутового камня;
A - расчетная площадь сечения.
Расчет кладки на срез по перевязанному сечению (по кирпичу или камню) следует производить по формуле (23) без учета обжатия (2-й член формулы 23). Расчетные сопротивления кладки должны приниматься по таблице 12.
При внецентренном сжатии с эксцентриситетами, выходящими за пределы ядра сечения (для прямоугольных сечений e0 > 0.17h), в расчетную площадь сечения включается только площадь сжатой части сечения Ac.
Многослойные стены (стены облегченной кладки)
7.21 Отдельные слои многослойных стен должны быть соединены между собой жесткими или гибкими связями. Жесткие связи должны обеспечивать распределение нагрузки между конструктивными слоями. При гибком соединении слоев каждый слой следует рассчитывать раздельно на воспринимаемые нагрузки.
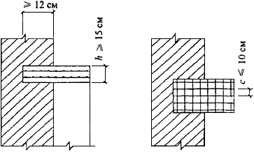
7.22 Жесткими являются связи:
а) при любом теплоизоляционном слое и расстояниях между осями вертикальных диафрагм из тычковых рядов кирпичей или камней не более 10h и не более 120 см, где h - толщина более тонкого конструктивного слоя;
б) при теплоизоляционном слое из монолитного бетона с пределом прочности на сжатие не менее 0,7 МПа или кладке из камней марки не ниже М10 при тычковых горизонтальных прокладных рядах, расположенных на расстояниях между осями рядов по высоте кладки не более 5h.
7.23 Расчет многослойных стен с жесткими связями следует производить:
а) при центральном сжатии по формуле (10);
б) при внецентренном сжатии по формуле (13), при этом коэффициент ω для кладки с вертикальными диафрагмами принимается равным 1,0.
В формулах (10) и (13) принимаются: площадь приведенного сечения Ared, площадь сжатой части приведенного сечения Acred и расчетное сопротивление слоя, к которому приводится сечение, с учетом коэффициента использования его прочности mR.
Коэффициенты продольного изгиба φ, φ1 и коэффициент mg следует определять по указаниям 7.2-7.7 для материала слоя, к которому приводится сечение.
При приведении сечения стены к одному материалу толщина слоев должна приниматься фактической, а ширина слоев (по длине стены) изменяться пропорционально отношению расчетных сопротивлений и коэффициентов использования прочности слоев по формуле
bred = bmiRi / mR, (24)
где bred - приведенная ширина слоя;
b - фактическая ширина слоя;
R; m - расчетное сопротивление и коэффициент использования прочности слоя, к которому приводится сечение;
Ri, mi - расчетное сопротивление и коэффициент использования прочности любого другого слоя стены. Коэффициенты использования прочности слоев в многослойных стенах m и mi приведены в таблице 23.
Таблица 23
|
Коэффициенты использования прочности слоев |
||||||||
|
из бетонных камней m |
из материалов mi |
|||||||
|
|
керамические камни |
кирпич керамический пластического прессования |
кирпич силикатный |
кирпич керамический полусухого прессования |
||||
|
|
m |
mi |
m |
mi |
m |
mi |
m |
mi |
|
Камни марок М25 и выше из бетонов на пористых заполнителях и из поризованных бетонов |
0,8 |
1 |
0,9 |
1 |
1 |
0,9 |
1 |
0,85 |
|
Камни марок М25 и выше из автоклавных ячеистых бетонов |
- |
- |
0,85 |
1 |
1 |
0,8 |
1 |
0,8 |
|
Камни марок М25 и выше из неавтоклавных ячеистых бетонов |
|
|
0,7 |
1 |
0,8 |
1 |
0,9 |
1,0 |
7.24 При расчете многослойных стен с гибкими связями (без тычковой перевязки) коэффициенты φ, φ1 и mg следует определять по 7.2-7.7 для условной толщины, равной сумме толщин двух конструктивных слоев, умноженной на коэффициент 0,7.
При различном материале слоев принимается приведенная упругая характеристика кладки αred, определяемая по формуле
αred = (α1h1 + α2h2) / (h1 + h2), (25)
где α1 и α2 - упругие характеристики слоев;
h1 и h2 - толщина слоев.
7.25 Многослойные стены с утеплителями с пределом прочности на сжатие 1,5 МПа и ниже следует рассчитывать по сечению кладки без учета несущей способности утеплителя.
7.26 В двухслойных стенах при жесткой связи слоев эксцентриситет продольной силы, направленной в сторону термоизоляционного слоя относительно оси, проходящей через центр тяжести приведенного сечения, не должен превышать 0,5y.
7.27 Сечение стен с облицовкой следует приводить к материалу основного несущего слоя стены. Расчет по раскрытию швов облицовки на растянутой стороне сечения при эксцентриситете в сторону кладки, превышающем 0,7y относительно оси приведенного сечения, следует производить по указаниям 8.3. Коэффициенты использования прочности слоев в стенах с облицовками m и mi приведены в таблице 24.
Таблица 24
|
Материал облицовочного слоя mi |
Материал стены m |
|||||||
|
|
керамические камни |
керамический кирпич пластического прессования |
силикатный кирпич |
керамический кирпич полусухого прессования |
||||
|
|
mi |
m |
mi |
m |
mi |
m |
mi |
m |
|
Лицевой кирпич пластического прессования высотой 65 мм |
0,8 |
1 |
1 |
0,9 |
1 |
0,6 |
1 |
0,65 |
|
Лицевые керамические камни со щелевидными пустотами высотой 140 мм |
1 |
0,9 |
1 |
0,8 |
0,85 |
0,6 |
1 |
0,5 |
|
Крупноразмерные плиты из силикатного бетона |
0,6 |
0,8 |
0,6 |
0,7 |
0,7 |
0,6 |
0,9 |
0,6 |
|
Силикатный кирпич |
0,6 |
0,85 |
0,6 |
1 |
1 |
1 |
1 |
0,8 |
|
Силикатные камни высотой 138 мм |
0,9 |
1 |
0,8 |
1 |
1 |
0,8 |
1 |
0,7 |
|
Крупноразмерные плиты из тяжелого цементного бетона |
1 |
0,9 |
1 |
0,9 |
1 |
0,75 |
1 |
0,65 |
7.28 При расчете стен с облицовками эксцентриситет нагрузки в сторону облицовки не должен превышать 0,25y (y - расстояние от центра тяжести приведенного сечения до края сечения в сторону эксцентриситета). При эксцентриситете, направленном в сторону внутренней грани стены e0 > y (1 - m) / (1 + m), но не менее 0,1y, расчет по формулам (10)-(13) производится без учета коэффициентов m и mi, приведенных в таблицах 23 и 24, как однослойного сечения по материалу основного несущего слоя стены, при этом в расчет вводится вся площадь сечения элемента.
Стены с вертикальными диафрагмами
7.29 Кладка вертикальных кирпичных диафрагм, соединяющих слои кладки, проверяется на срез:
τ = Rsq, (25а)
где τ - касательные напряжения, действующие в вертикальной плоскости, проходящей через диафрагму и возникающие от совместного действия вертикальной нагрузки и температурно-влажностных деформаций;
Rsq - расчетное сопротивление кладки диафрагм срезу, определяемое по 7.20.
При расчете на центральное и внецентренное сжатие рассматривается фрагмент стены двутаврового сечения (рисунок 10). Изгибающие моменты от внецентренного приложения нагрузки учитываются только от нагрузок, приложенных в пределах рассматриваемого этажа. Помимо вертикальных усилий следует учитывать изгибающие моменты, возникающие от температурных воздействий.

Рисунок 10 - Приведенное сечение рассчитываемого фрагмента стены
Коэффициенты продольного изгиба φ, φ1 и коэффициент mg top: 7px;" src="data:image/jpeg;base64,R0lGODdhGAAZAIABAAAAAP///ywAAAAAGAAZAAACNYyPqcvtD6OctNqLGwBmdy5xYjBGpUeGIAqaR9s+8Ju+W1znaMdfK3bL4Cw74sdHIwYzzEYBADs=" class="doc-image" alt="СП 15.13330.2012 Каменные и армокаменные конструкции. Актуализированная редакция СНиП II-22-81*" /> следует определять для сечения, проходящего по диафрагме.
В формулах (10) и (13) принимаются: площадь приведенного сечения Ared, площадь сжатой части приведенного сечения Acred и расчетное сопротивление слоя, к которому приводится сечение, с учетом коэффициента использования его прочности mR.
Коэффициенты продольного изгиба φ, φ1 и коэффициент mg следует определять по указаниям 7.2-7.7 для материала слоя, к которому приводится сечение, для сечения, проходящего по диафрагме.
Приведенная площадь горизонтального сечения рассчитываемого участка стены определяется по формуле
Ared = ABC + Ared,HC + Ared,д, (26)
где ABC - площадь горизонтального сечения внутреннего слоя, к которому приводится сечение;
Ared,HC - приведенная площадь горизонтального сечения наружного слоя;
Ared,д - приведенная площадь горизонтального сечения диафрагмы;
hHC - толщина наружного слоя;
hд - толщина диафрагмы (расстояние в свету между наружным и внутренним слоями).
Приведение материала наружного слоя и диафрагмы к материалу внутреннего слоя производится по 7.23.
Высота сжатой зоны определяется из условия равенства нулю суммы статических моментов эпюры вертикальных напряжений относительно оси приложения вертикального усилия. При этом принимается, что в предельном состоянии эпюра вертикальных напряжений является прямоугольной. Для многослойной кладки с вертикальными диафрагмами принимается приведенная упругая характеристика кладки, определяемая по формуле:
αred = (αBCABC + αHCAHC + αдAд) / Ared, (27)
где αBC; αHC; αд - упругие характеристики, соответственно, внутреннего, наружного слоев и диафрагмы.
Армокаменные конструкции
7.30 Элементы с сетчатым армированием выполняются на растворах марки не ниже 50 при высоте ряда кладки не более 150 мм.
Расчет элементов с сетчатым армированием (рисунок 11) при центральном сжатии следует производить по формуле
N ≤ mgφRskA, (28)
где N - расчетная продольная сила;
Rsk ≤ 2R - расчетное сопротивление при центральном сжатии, определяемое для армированной кладки из кирпича всех видов и керамических камней со щелевидными вертикальными пустотами по формуле
Rsk = R + ρ μ Rs / 100, (28а)
где ρ - коэффициент, принимаемый при пустотности кирпича (камня) до 20% включительно равным 2, при пустотности от 20%, до 30% включительно - равным 1,5, при пустотности выше 30% - равным 1.

1 - арматурная сетка; 2 - выпуск арматурной сетки для контроля ее укладки
Рисунок 11 - Поперечное (сетчатое) армирование каменных конструкций
При прочности раствора менее 2,5 МПа при проверке прочности кладки в процессе ее возведения для кирпича всех видов и керамических камней со щелевидными вертикальными пустотами по формуле
Rsk1 = R1 + ρμRsR1 / 100R25, (28б)
где R1 - расчетное сопротивление неармированной кладки в рассматриваемый срок твердения раствора;
R25 - расчетное сопротивление кладки при марке раствора 25;
μ = 100 Vs/Vk - процент армирования по объему. Для сеток с квадратными ячейками из арматуры сечением Ast с размером ячейки C при расстоянии между сетками S
μ = (2Ast/ CS)100,
mg - коэффициент, определяемый по формуле (16);
Vs и Vk - соответственно объемы арматуры и кладки;
φ - коэффициент продольного изгиба, определяемый по таблице 19 для λh или λi при упругой характеристике кладки с сетчатым армированием αsk, определяемой по формуле (4).
Примечание - Процент армирования кладки сетчатой арматурой, учитываемый в расчете на центральное сжатие, не должен превышать определяемого по формуле
μ = 50 R/Rs,
Rs - расчетное сопротивление арматуры.
При армировании меньше 0,1% сечение рассчитывается как неармированное.
При прочности раствора более 2,5 МПа отношение R1/R25 принимается равным 1.
7.31 Расчет внецентренно сжатых элементов с сетчатым армированием при малых эксцентриситетах, не выходящих за пределы ядра сечения (для прямоугольного сечения e0 ≤ 0.17h), следует производить по формуле
N ≤ mgφ1RskbAcω (29)
или для прямоугольного сечения
N ≤ mgφ1RskbA(1 - 2e0/h)ω, (30)
где Rskb ≤ 2R - расчетное сопротивление армированной кладки при внецентренном сжатии, определяемое для армированной кладки из кирпича всех видов и керамических камней со щелевидными вертикальными пустотами при марке раствора М50 и выше по формуле
Rskb = R1 + (1 - 2e0/y)ρμRs/100, (31)
а при марке раствора менее 25 (при проверке прочности кладки в процессе ее возведения) для кирпича всех видов и керамических камней со щелевидными вертикальными пустотами по формуле
Rskb = R1 + ρμRsR1(1 - 2e0/y) / 100R25. (32)
Остальные величины имеют те же значения, что в 7.1. и 7.7.
Примечания
1 При эксцентриситетах, выходящих за пределы ядра сечения (для прямоугольных сечений e0 > 0.17h), а также при λh > 15 или λi > 53 применять сетчатое армирование не следует.
2 Процент армирования кладки сетчатой арматурой при внецентренном сжатии не должен превышать определяемого по формуле
μ = 50R / (Rs - Rs2e0/y) ≥ 0.1%
При армировании меньше 0,1% сечение рассчитывается как неармированное.
8 Расчет элементов конструкций по предельным состояниям второй группы (по образованию и раскрытию трещин и по деформациям)
8.1 По образованию и раскрытию трещин (швов кладки) и по деформациям следует рассчитывать:
а) внецентренно сжатые неармированные элементы при e0 > 0.7y ;
б) смежные, работающие совместно конструктивные элементы кладки из материалов различной деформативности (с различными модулями упругости, ползучестью, усадкой) или при значительной разнице в напряжениях, возникающих в этих элементах;
в) самонесущие стены, связанные с каркасами и работающие на поперечный изгиб, если несущая способность стен недостаточна для самостоятельного (без каркаса) восприятия нагрузок;
г) стеновые заполнения каркасов - на перекос в плоскости стен;
д) продольно армированные изгибаемые, внецентренно сжатые и растянутые элементы, эксплуатируемые в условиях среды, агрессивной для арматуры;
е) продольно армированные емкости при наличии требований непроницаемости штукатурных или плиточных изоляционных покрытий;
ж) другие элементы зданий и сооружений, в которых образование трещин не допускается или же раскрытие трещин должно быть ограничено по условиям эксплуатации.
8.2 Расчет каменных и армокаменных конструкций по предельным состояниям второй группы следует производить на воздействие нормативных нагрузок при основных их сочетаниях. Расчет внецентренно сжатых неармированных элементов по раскрытию трещин при e0 > 0.7y (см. 8.3) должен производиться на воздействие расчетных нагрузок.
8.3 Расчет по раскрытию трещин (швов кладки) внецентренно сжатых неармированных каменных конструкций следует производить при e0 > 0.7y исходя из следующих положений:
при расчете принимается линейная эпюра напряжений внецентренного сжатия как для упругого тела;
расчет производится по условному краевому напряжению растяжения, которое характеризует величину раскрытия трещин в растянутой зоне.
Расчет следует производить по формуле
N ≤ yrRtbA / (A(h - y)e0 / I - 1), (33)
где I - момент инерции сечения в плоскости действия изгибающего момента;
y - расстояние от центра тяжести сечения до сжатого его края;
Rtb - расчетное сопротивление кладки растяжению при изгибе по неперевязанному сечению (см. таблицу 10);
yr - коэффициент условий работы кладки при расчете по раскрытию трещин, принимаемый по таблице 25.
Таблица 25
|
Характеристика и условия работы кладки |
Коэффициент условий работы γr при предполагаемом сроке службы конструкций, лет |
||
|
|
100 |
50 |
25 |
|
1 Неармированная внецентренно нагруженная и растянутая кладка |
1,5 |
2,0 |
3,0 |
|
2 То же, с декоративной отделкой для конструкций с повышенными архитектурными требованиями |
1,2 |
1,2 |
- |
|
3 Неармированная внецентренно нагруженная кладка с гидроизоляционной штукатуркой для конструкций, работающих на гидростатическое давление жидкости |
1,2 |
1,5 |
- |
|
4 То же, с кислотоупорной штукатуркой или облицовкой на замазке на жидком стекле |
0,8 |
1,0 |
1,0 |
|
Примечание - Коэффициент условий работы γr при расчете продольно армированной кладки на внецентренное сжатие, изгиб, осевое и внецентренное растяжение и главные растягивающие напряжения принимается по таблице 25 с коэффициентами:
|
|||
Остальные обозначения величин те же, что в 7.7.
8.4 Конструкции, в которых по условиям эксплуатации не может быть допущено появление трещин в штукатурных и других покрытиях, должны быть проверены на деформации растянутых поверхностей. Эти деформации для неармированной кладки следует определять при нормативных нагрузках, которые будут приложены после нанесения штукатурных или других покрытий, по формулам (34)-(37). Они не должны превышать величин относительных деформаций εu, приведенных в таблице 26.
Таблица 26
|
Вид и назначение покрытий |
εu |
|
Гидроизоляционная цементная штукатурка для конструкций, подверженных гидростатическому давлению жидкостей |
0,8·10-4 |
|
Кислотоупорная штукатурка на жидком стекле или однослойное покрытие из плиток каменного литья (диабаз, базальт) на кислотоупорной замазке |
0,5·10-4 |
|
Двух- и трехслойные покрытия из прямоугольных плиток каменного литья на кислотоупорной замазке: |
|
|
а) вдоль длинной стороны плиток |
1·10-4 |
|
б) то же, вдоль короткой стороны плиток |
0,8·10-4 |
|
Примечание - При продольном армировании конструкций, а также при оштукатуривании неармированных конструкций по сетке предельные относительные деформации εu допускается увеличивать на 25%. |
|
8.5 Расчет по деформациям растянутых поверхностей каменных конструкций из неармированной кладки следует производить по формулам:
при осевом растяжении
N ≤ EAεu; (34)
при изгибе
M ≤ EIεu / (h - y) ; (35)
при внецентренном сжатии
N ≤ EAεu / (A(h -y)e0/I - 1); (36)
при внецентренном растяжении
N ≤ EAεu / (A(h - y)e0 / I + 1). (37)
В формулах (34)-(37):
N и M - продольная сила и момент от нормативных нагрузок, которые будут приложены после нанесения на поверхность кладки штукатурных или плиточных покрытий;
εu - предельные относительные деформации, принимаемые по таблице 26;
(h - y) - расстояние от центра тяжести сечения кладки до наиболее удаленной растянутой грани покрытия;
I - момент инерции сечения;
E - модуль деформаций кладки, определяемый по формуле (8).
9 Проектирование конструкций
Общие указания
9.1 При проверке прочности и устойчивости стен, столбов, карнизов и других элементов в период возведения зданий следует учитывать, что элементы перекрытий (балки, плиты и пр.) укладываются по ходу кладки и что возможно опирание элементов здания на свежую кладку.
9.2 Крупноразмерные элементы конструкций (панели, крупные блоки и т.п.) должны быть проверены расчетом для стадий их изготовления, транспортирования и монтажа. Собственный вес элементов сборных конструкций следует принимать в расчете с учетом коэффициента динамичности, величина которого принимается равной: при транспортировании - 1,8; при подъеме и монтаже - 1,5; при этом коэффициент перегрузки к собственному весу элемента не вводится. Допускается уменьшение указанных выше коэффициентов динамичности, если это подтверждено длительным опытом применения таких элементов, но не ниже 1,25.
9.3 Для сплошной кладки из кирпича и камней правильной формы, за исключением кирпичных панелей, необходимо предусматривать следующие минимальные требования к перевязке:
а) для кладки из полнотелого кирпича толщиной 65 мм - один тычковый ряд на шесть рядов кладки, а из кирпича толщиной 88 мм и пустотелого кирпича толщиной 65 мм - один тычковый ряд на четыре ряда кладки;
б) для кладки из камней правильной формы при высоте ряда до 200 мм - один тычковый ряд на три ряда кладки;
в) для кладки из крупноформатных камней шириной до 260 мм, толщиной до 250 мм и длиной до 510 мм на толщину стены перевязку следует осуществлять в полкамня в каждом ряду.
9.4 Необходимо предусматривать защиту стен и столбов от увлажнения со стороны фундаментов, а также со стороны примыкающих тротуаров и отмосток устройством гидроизоляционного слоя выше уровня тротуара или верха отмостки. Гидроизоляционный слой следует устраивать также ниже пола подвала.
Для подоконников, поясков, парапетов и тому подобных выступающих, особо подверженных увлажнению частей стен следует предусматривать защитные покрытия из цементного раствора, кровельной стали и др. Выступающие части стен должны иметь уклоны, обеспечивающие сток атмосферной влаги.
9.5 Неармированные кладки из каменных материалов в зависимости от вида кладки, а также прочности камней и растворов подразделяются на четыре группы (таблица 27).
Таблица 27
|
Вид кладки |
Группа кладки |
|||
|
|
I |
II |
III |
IV |
|
1 Сплошная кладка из кирпича или камней марки 50 и выше |
На растворе марки 10 и выше |
На растворе марки 4 |
- |
- |
|
2 То же, марок 35 и 25 |
- |
На растворе марки 10 и выше |
На растворе марки 4 |
- |
|
3 То же, марок 15, 10 и 7 |
- |
- |
На любом растворе |
На любом растворе |
|
4 Крупные блоки из кирпича или камней, в том числе крупноформатных (вибрированные и невибрированные) |
На растворе марки 25 и выше |
- |
- |
- |
|
5 Кладка из грунтовых материалов (грунтоблоки и сырцовый кирпич) |
- |
- |
На известковом растворе |
На глиняном растворе |
|
6 Облегченная кладка из кирпича, в т.ч. крупноформатных или бетонных камней с перевязкой горизонтальными тычковыми рядами или скобами |
На растворе марки 50 и выше с заполнением бетоном не ниже класса В2 или вкладышами марок 25 и выше |
На растворе марки 25 с заполнением бетоном или вкладышами марки 15 |
На растворе марки 10 и с заполнением засыпкой |
- |
|
7 Облегченная кладка из кирпича или камней колодцевая (с перевязкой вертикальными диафрагмами) |
На растворе марки 50 и выше с заполнением теплоизоляционными плитами или засыпкой |
На растворе марки 25 с заполнением теплоизоляционными плитами или засыпкой |
- |
- |
|
8 Кладка из постелистого бута |
- |
На растворе марки 25 и выше |
На растворе марок 10 и 4 |
На глиняном растворе |
|
9 Кладка из рваного бута |
- |
На растворе марки 50 и выше |
На растворе марок 25 и 10 |
На растворе марки 4 |
|
10 Бутобетон |
На бетоне класса В7,5 и выше
|
На бетоне классов В5 и В3,5 |
На бетоне класса В2,5 |
- |
9.6 Каменные стены в зависимости от конструктивной схемы здания подразделяются на:
несущие, воспринимающие кроме нагрузок от собственного веса и ветра также нагрузки от покрытий, перекрытий, кранов и т.п.;
самонесущие, воспринимающие нагрузку только от собственного веса стен всех вышележащих этажей зданий и ветровую нагрузку;
ненесущие (в том числе навесные), воспринимающие нагрузку только от собственного веса и ветра в пределах одного этажа при высоте этажа не более 6 м; при большей высоте этажа эти стены относятся к самонесущим;
перегородки - внутренние стены, воспринимающие нагрузки только от собственного веса и ветра (при открытых оконных проемах) в пределах одного этажа при высоте его не более 6 м; при большей высоте этажа стены этого типа условно относятся к самонесущим.
В зданиях с самонесущими и ненесущими наружными стенами нагрузки от покрытий, перекрытий и т.п. передаются на каркас или другие несущие конструкции зданий.
9.7 Каменные стены и столбы зданий при расчете на горизонтальные нагрузки, внецентренное и центральное сжатие следует принимать опертыми в горизонтальном направлении на междуэтажные перекрытия, покрытия и поперечные стены и другие несущие конструкции здания. Эти опоры делятся на жесткие (несмещаемые) и упругие.
За жесткие опоры следует принимать:
а) поперечные каменные и бетонные стены толщиной не менее 12 см, железобетонные толщиной не менее 6 см, контрфорсы, поперечные рамы с жесткими узлами, участки поперечных стен и другие конструкции, рассчитанные на восприятие горизонтальной нагрузки;
б) покрытия и междуэтажные перекрытия при расстоянии между поперечными, жесткими конструкциями не более указанных в таблице 28;
в) ветровые пояса, фермы, ветровые связи и железобетонные обвязки, рассчитанные по прочности и по деформациям на восприятие горизонтальной нагрузки, передающейся от стен.
За упругие опоры следует принимать покрытия и междуэтажные перекрытия при расстояниях между поперечными жесткими конструкциями, превышающих указанные в таблице 28, при отсутствии ветровых связей, указанных в подпункте "в".
Таблица 28
|
Тип покрытий и перекрытий |
Расстояние между поперечными жесткими конструкциями, м, при группе кладки |
|||
|
|
I |
II |
III |
IV |
|
А Железобетонные сборные замоноличенные (см. примечание 2) и монолитные |
54 |
42 |
30 |
- |
|
Б Из сборных железобетонных настилов (см. примечание 3) и из железобетонных или стальных балок с настилом из плит или камней |
42 |
36 |
24 |
- |
|
В Деревянные |
30 |
24 |
18 |
12 |
|
Примечания |
||||
Стены и столбы, не имеющие связи с перекрытиями (при устройстве катковых опор и т.п.), следует рассчитывать как свободно стоящие.
9.8 При упругих опорах производится расчет рамной системы, стойками которой являются стены и столбы (железобетонные, кирпичные и др.), а ригелями - перекрытия и покрытия. При этом следует принимать, что стойки жестко защемлены в опорных сечениях.
При статических расчетах рам жесткость стен или столбов, выполненных из кирпичной или каменной кладки, допускается определять при модуле упругости кладки E = 0.8E0 и моменте инерции сечения без учета раскрытия швов, а перекрытия и покрытия следует принимать как жесткие ригели (распорки), шарнирно связанные со стенами.
9.9 В стенах с пилястрами или без пилястр ширину стены при расчете следует принимать:
а) если конструкция покрытия обеспечивает равномерную передачу давления по всей длине опирания его на стену, равной ширине между проемами, а в стенах без проемов равной ширине участка стены между осями пролетов;
б) если боковое давление от стены на покрытие передается в местах опирания на стены ферм или, прогонов, то стена с пилястрой рассматривается как стойка рамы с постоянным по высоте сечением, при этом ширина полки принимается равной 1/3 H в каждую сторону от края пилястры, но не более 6h и ширины стены между проемами (H - высота стены от уровня заделки, h - толщина стены). При отсутствии пилястр и передаче на стены сосредоточенных нагрузок ширина участка 1/3 H принимается в каждую сторону от края распределительной плиты, установленной под опорами ферм или прогонов.
9.10 Стены и столбы, имеющие в плоскостях междуэтажных перекрытий опоры, рассматриваемые согласно 9.7 как жесткие, рассчитываются на внецентренную нагрузку как вертикальные неразрезные балки.
Допускается стены или столбы считать расчлененными по высоте на однопролетные балки с расположением опорных шарниров в плоскостях опирания перекрытий. При этом нагрузку от верхних этажей следует принимать приложенной в центре тяжести сечения стены или столба вышележащего этажа; нагрузки в пределах рассчитываемого этажа принимают приложенными с фактическими эксцентриситетами относительно центра тяжести сечения стены или столба с учетом изменения сечения в пределах этажа и ослабления горизонтальными и наклонными бороздами. При отсутствии специальных опор, фиксирующих положение опорного давления, допускается принимать расстояние от точки приложения опорной реакции прогонов, балок или настила до внутренней грани стены или опорной плиты равным одной трети глубины заделки, но не более 7 см.
Изгибающие моменты от ветровой нагрузки следует определять в пределах каждого этажа как для балки с заделанными концами, за исключением верхнего этажа, в котором верхняя опора принимается шарнирной.
9.11 При расчете стен (или их отдельных вертикальных участков) на вертикальные и горизонтальные нагрузки должны быть проверены:
а) горизонтальные сечения на сжатие или внецентренное сжатие;
б) наклонные сечения на главные растягивающие напряжения при изгибе в плоскости стены;
в) раскрытие трещин от вертикальной нагрузки в зоне примыкания связанных между собой участков стен различной жесткости или разнонагруженных участков стен.
При учете совместной работы поперечных и продольных стен при действии горизонтальной нагрузки должно быть обеспечено восприятие сдвигающих усилий в местах их взаимного примыкания, определяемых по формуле
T = QAyH / I ≤ hHRsq, (38)
где T - сдвигающее усилие в пределах одного этажа;
Q - расчетная поперечная сила от горизонтальной нагрузки в середине высоты этажа;
y - расстояние от оси продольной стены до оси, проходящей через центр тяжести сечения стен в плане (рисунок 12);
A - площадь сечения полки (участка продольной стены, учитываемого в расчете);
I - момент инерции сечения стен относительно оси, проходящей через центр тяжести сечения стен в плане;
h - толщина поперечной стены;
H - высота этажа;
Rsq - расчетное сопротивление кладки срезу по вертикальному перевязанному сечению (см. 7.20).

1 - простенок продольной стены; 2 - поперечная стена
Рисунок 12 - План поперечной стены и простенков продольных стен
При определении площади сечения полки A и момента инерции сечения стен следует учитывать указания, приведенные в 9.9.
9.12 Расчет поперечных стен на главные растягивающие напряжения следует производить по формуле
Q ≤ Rtqhl / v. (39)
при наличии в стене растянутой части сечения - по формуле
Q ≤ RtqAc / v. (40)
В формулах (39) и (40):
Q - расчетная поперечная сила от горизонтальной нагрузки в середине высоты этажа;
Rtq = √ Rtw(tw + σ0), (41)
Rtw - расчетное сопротивление главным растягивающим напряжениям по швам кладки (таблица 10);
Rtq - расчетное сопротивление скалыванию кладки, обжатой расчетной силой N, определяемой с коэффициентом перегрузки 0,9;
σ0 = 0.9N / A. (42)
При наличии в стене растянутой части сечения принимается
σ0 = 0.9N / Ac, (43)
где A - площадь сечения поперечной стены с учетом (или без учета) участков продольной стены (см. рисунок 12);
Ac - площадь только сжатой части сечения стены при эксцентриситетах, выходящих за пределы ядра сечения;
h - толщина поперечной стены на участке, где эта толщина наименьшая, при условии, если длина этого участка превышает 1/4 высоты этажа или же 1/4 длины стены; при наличии в стене каналов их ширина из толщины стены исключается;
l - длина поперечной стены в плане, если в сечение входят полки в виде отрезков наружных стен, то l - расстояние между осями этих полок;
v = S0l / Ι - коэффициент неравномерности касательных напряжений в сечении. Значения v допускается принимать: для двутавровых сечений v = 1.15; для тавровых сечений v = 1.35; для прямоугольных сечений (без учета работы продольных стен) v = 1.5;
S0 - статический момент части сечения, находящейся по одну сторону от оси, проходящей через центр тяжести сечения;
Ι - момент инерции всего сечения относительно оси, проходящей через центр тяжести сечения.
9.13 При недостаточном сопротивлении кладки скалыванию, определяемому по формулам (39), (40), допускается армирование ее продольной арматурой в горизонтальных швах. Расчетное сопротивление скалыванию армированной кладки Rstq следует определять по формуле
Rstq = √ (μRs/100 + σ0)μRs/100, (44)*
где μ - процент армирования, определяемый по вертикальному сечению стены.
_________________
* Обозначение расчетного сопротивления скалывания армированной кладки в п.9.13 и формуле (44) соответствует оригиналу. - Примечание изготовителя базы данных.
9.14 При расчете поперечных стен здания на горизонтальные нагрузки, действующие в их плоскости, перемычки, перекрывающие проемы в стенах, рассматриваются как шарнирные вставки между вертикальными участками стен.
Если прочность поперечных стен с проемами при действии горизонтальных нагрузок обеспечивается только с учетом жесткости перемычек, то перемычки должны воспринимать возникающие в них перерезывающие силы, определяемые по формуле
T = QHv / l, (45)
где Q - расчетная поперечная сила от горизонтальной нагрузки, воспринимаемая поперечной стеной в уровне перекрытия, примыкающего к рассчитываемым перемычкам;
H - высота этажа;
l - длина поперечной стены в плане (9.12);
v - принимается по 9.12.
9.15 Расчет перемычек на перерезывающую силу от горизонтальной нагрузки, определяемую по формуле (45), производится на скалывание и на изгиб по формулам (46) и (47), причем принимается меньшая из двух полученных величин
T ≤ 2/3 RtwA, (46)
T ≤ 1/3 RtbAh/l, (47)
где h и l - высота и пролет перемычки (в свету);
T - см. формулу (45);
A - поперечное сечение перемычки;
Rtw и Rtb - см. таблицу 10.
Если прочность перемычек недостаточна, то они должны быть усилены продольным армированием или железобетонными балками, рассчитываемыми на изгиб и скалывание на момент
M = Tl / 2 (48)
и поперечную силу T, формула (45), в соответствии с СП 63.13330. Расчет заделки концов балок (перемычек) в кладке производится по указаниям 9.46.
Допустимые отношения высот стен и столбов к их толщинам
9.16 Отношение высоты стены или столба к толщине независимо от результатов расчета не должно превышать указанных в 9.17-9.20.
9.17 Отношение β =H / h (где H - высота этажа, h - толщина стены или меньшая сторона прямоугольного сечения столба) для стен без проемов, несущих нагрузки от перекрытий или покрытий, при свободной длине стены l ≤ 2,5 H не должно превышать величин, приведенных в таблице 29 (для кладки из каменных материалов правильной формы).
Таблица 29
|
Марка раствора |
Отношения β при группе кладки (см. таблицу 27) |
|||
|
|
I |
II |
III |
IV |
|
50 и выше |
25 |
22 |
- |
- |
|
25 |
22 |
20 |
17 |
- |
|
10 |
20 |
17 |
15 |
14 |
|
4 |
- |
15 |
14 |
13 |
Для стен с пилястрами и столбов сложного сечения вместо h принимается условная толщина hred = 3.5i, где i = √ Ι/A. Для столбов круглого и многоугольного сечения, вписанного в окружность, hred, где d - диаметр сечения столба.
Примечание - При высоте этажа H, большей свободной длины стены l, отношение l/h не должно превышать значения 1,2β по таблице 29.
9.18 Отношения β для стен и перегородок при условиях, отличающихся от указанных в 9.17, следует принимать с поправочным коэффициентом k, приведенным в таблице 30.
Таблица 30
|
Характеристика стен и перегородок |
Коэффициент k |
|
1 Стены и перегородки не несущие нагрузки от перекрытий или покрытий при толщине, см: |
|
|
25 и более |
1,2 |
|
10 и менее |
1,8 |
|
2 Стены с проемами |
√ An/Ab |
|
3 Перегородки с проемами |
0,9 |
|
4 Стены и перегородки при свободной их длине между примыкающими поперечными стенами или колоннами от 2,5 до 3,5H |
0,9 |
|
5 То же, при l > 3.5H |
0,8 |
|
6 Стены из бутовых кладок и бутобетона |
0,8 |
|
Примечания |
|
Предельные отношения β для столбов принимаются по таблице 29 с коэффициентами, приведенными в таблице 31.
Таблица 31
|
Меньший размер поперечного сечения столба, см |
Коэффициент kp для столбов |
|
|
|
из кирпича и камней правильной формы |
из бутовой кладки и бутобетона |
|
90 и более |
0,75 |
0,6 |
|
70-89 |
0,7 |
0,55 |
|
50-69 |
0,65 |
0,5 |
|
Менее 50 |
0,6 |
0,45 |
|
Примечание - Предельные отношения β несущих узких простенков, имеющих ширину менее толщины стены, должны приниматься как для столбов с высотой, равной высоте проемов. |
||
9.19 Отношения β, приведенные в таблице 29 и умноженные на коэффициент k по таблице 30 для стен и перегородок, могут быть увеличены: при конструктивном продольном армировании кладки (при μ = 0,05%) в одном направлении (в горизонтальных швах кладки) - на 20%.
При расстояниях между связанными со стенами поперечными устойчивыми конструкциями l ≤ kβh высота стен H не ограничивается и определяется расчетом на прочность. При свободной длине l, равной или большей H, но не более 2H (где H - высота этажа) должно соблюдаться условие
H + l ≤ 3kβh . (49)
9.20 Для стен, перегородок и столбов, не закрепленных в верхнем сечении, значения отношений β должны быть на 30% менее установленных в 9.17-9.19.
Стены из панелей и крупных блоков
9.21 Кирпичные панели следует проектировать из керамического или силикатного кирпича марки не ниже М75 на растворах марок не ниже М50.
9.22 При проектировании панелей следует, как правило, предусматривать заполнение растворных швов с применением вибрации. Расчетные сопротивления вибрированной кладки следует принимать по 6.2. Допускается проектирование однослойных панелей наружных стен из пустотелых керамических камней, эффективных в теплотехническом отношении, толщиной в один, полтора и два камня без применения вибрации. Расчетные сопротивления кладки следует принимать в этом случае по 6.1.
Примечание - В панелях из пустотелых керамических камней, изготовленных без применения вибрации, должна быть соблюдена перевязка вертикальных швов кладки, что должно быть указано в проекте.
9.23 Кирпичные панели наружных стен следует проектировать двухслойными или трехслойными. Двухслойные панели следует выполнять толщиной в полкирпича или более с утеплителем из жестких теплоизоляционных плит, расположенных с наружной или внутренней стороны панелей и защищенных отделочным армированным слоем из раствора марки не ниже 50, толщиной не менее 40 мм.
Трехслойные панели следует выполнять с наружными слоями толщиной в четверть или в полкирпича и средним слоем из жестких или полужестких теплоизоляционных плит.
Каркасы в панелях наружных стен должны устанавливаться в ребрах или швах, расположенных по периметру панелей и по контуру проемов в пределах всей толщины панелей. Ширина ребер, в которые устанавливаются каркасы, не должна превышать 30 мм.
При проектировании панелей наружных стен следует учитывать, что в зависимости от архитектурных требований наружный слой панелей можно выполнять с открытой фактурой кирпича и камней или с отделочным слоем из раствора.
9.24 Кирпичные панели внутренних стен и перегородок следует проектировать однослойными толщиной: в четверть кирпича (8,5 см), в полкирпича (14 см) и в кирпич (27 см) и двухслойными из двух слоев толщиной по четверти кирпича (18 см).
Каркасы в панелях внутренних стен должны устанавливаться по периметру панелей и по контуру проемов в соответствии с расчетом.
Примечания
1 Толщины панелей указаны с учетом наружных и внутреннего растворных слоев.
2 Панели толщиной в четверть кирпича следует проектировать только для перегородок.
9.25 Кирпичные и керамические стеновые панели следует рассчитывать на внецентренное сжатие по указаниям, приведенным в 7.7 и 7.8 при действии вертикальной и ветровой нагрузок, а также на усилия, возникающие при транспортировании и монтаже (см. 9.2).
Если требуемая прочность панели обеспечивается без учета арматуры, то площадь сечения продольных стержней каркасов должна определяться из условия, чтобы она составляла не менее 0,25 см2 на один метр горизонтального и вертикального сечений панели. Если арматура должна учитываться при определении несущей способности панели, то расчет ее должен производиться как для армокаменной конструкции. При расчете панелей толщиной 27 см и менее следует учитывать случайный эксцентриситет, величина которого принимается равной 1 см - для несущих однослойных панелей; 0,5 см - для самонесущих панелей, а также для отдельных слоев трехслойных несущих панелей; для ненесущих панелей и перегородок случайный эксцентриситет не учитывается.
9.26 Панели с армированными ребрами при различном материале несущих слоев рассчитываются как многослойные стены с жестким соединением слоев согласно 7.22-7.24.
9.27 Соединения панелей наружных и внутренних стен, а также панелей наружных стен с панелями перекрытий следует проектировать при помощи стальных связей, приваренных к закладным деталям или к пластинам каркасов. Связи между панелями должны быть установлены в углублениях, расположенных в углах панелей, и покрыты слоем раствора толщиной не менее 10 мм. При выполнении закладных деталей и соединительных стержней из обычной стали они должны быть защищены от коррозии. Марку раствора для монтажных швов стен из панелей следует принимать по расчету, но не менее М50.
9.28 Крупные блоки для наружных и внутренних стен следует проектировать из цементных и силикатных тяжелых бетонов, бетонов на пористых заполнителях, ячеистых бетонов и природного камня, а также из кладки, выполняемой из кирпича, керамических, бетонных и природных камней. Расчетное сопротивление кладки из крупных блоков принимают по 6.3, а для блоков, изготовленных из кирпича или камней без вибрации, - по 6.1, 6.4 и 6.6.
Марку раствора для монтажных швов кладки блоков из кирпича или камней следует принимать на одну ступень выше марки раствора блоков.
9.29 В крупноблочных зданиях высотой до 5 этажей включительно при высоте этажа до 3 м связь между продольными и поперечными стенами следует осуществлять:
а) в наружных углах - перевязкой кладки специальными угловыми блоками (не менее одного ряда блоков на этаж);
б) в местах примыкания внутренних поперечных стен к продольным, а также средней продольной стены к торцевым - закладкой Т-образных анкеров из полосовой стали или арматурных сеток в одном горизонтальном шве в каждом этаже в уровне перекрытий.
Для крупноблочных зданий высотой более 5 этажей и для зданий с высотой этажей более 3 м должны быть предусмотрены жесткие связи между стенами как в углах, так и в местах примыкания внутренних стен к наружным. Связи следует проектировать в виде закладных деталей в блоках, соединяемых сваркой с накладками.
Многослойные стены (стены облегченной кладки и с облицовкой из кирпича)
9.30 Многослойные стены в зависимости от назначения подразделяются на несущие и ненесущие. Долговечность изделий и материалов, применяемых в многослойных стенах, должна приниматься с учетом срока службы конструкции.
9.31 В качестве облицовочного слоя и основной кладки стены, если они жестко связаны друг с другом взаимной перевязкой, следует применять кладки с близкими деформационными свойствами. Рекомендуется предусматривать применение облицовочного кирпича или камней, имеющих высоту, равную или кратную высоте ряда основной кладки. При разной прочности и деформационных свойствах слоев расчет стен производится в соответствии с 7.21-7.29.
Проектирование следует выполнять с учетом следующих требований:
перевязка облицовки, жестко связанной с кладкой тычковыми рядами, выполняется по указаниям 9.3;
конструктивное армирование кладки слоев следует выполнять сетками из коррозионностойкой стали или стеклопластиковыми сетками (при обосновании расчетом и данными экспериментальных исследований);
в качестве утеплителя в облегченной кладке должны использоваться материалы, прошедшие экспертизу в специализированных организациях соответствующего профиля.
При отсутствии перевязки (диафрагм и прокладных рядов) соединение слоев необходимо выполнять сетками и связями. Рекомендуемые требования при проектировании указаны в приложении Д.
9.32 Облицовочный кирпичный слой толщиной 120 мм в трехслойной кладке допускается применять при проектировании на зданиях до 4-х этажей (12 м). На зданиях высотой более 4-х этажей допускается применение двухслойной кладки с лицевым кирпичным слоем толщиной 120 мм при его опирании на перекрытие в соответствии с 9.34.
В конструкциях со средним слоем из эффективного утеплителя и гибким соединением слоев предусматривать применение лицевого кирпичного слоя толщиной 250 мм.
9.33 Проектирование наружных ненесущих многослойных стен со средним слоем из эффективной теплоизоляции следует выполнять по указаниям Приложения Д с учетом требований по материалам:
кирпичи и камни, используемые в качестве облицовочного слоя, должны отвечать требованиям по морозостойкости, указанным в таблице 1;
марка по прочности кладочных материалов лицевого слоя должна приниматься для кирпича не менее M100, для кладочного раствора не менее М75 и морозостойкости в соответствии с таблицей 1;
для лицевого слоя толщиной до 120 мм следует применять пустотелый кирпич с утолщенной наружной стенкой не менее 20 мм, клинкерный или полнотелый кирпич (в том числе пустотностью до 13%). При толщине облицовочного слоя 250 мм допускается применение пустотелого кирпича с большей пустотностью;
гибкие связи и сетки следует проектировать из коррозионно-стойких сталей или сталей, защищенных от коррозии, возможно применение связей и сеток из композиционных полимерных материалов (на основе базальтовых, углеродных и др. волокон); толщина антикоррозионного покрытия металлических связей и сеток приведена в [1];
диаметр круглого сечения одиночных стальных связей при закреплении к армирующим сеткам следует принимать не менее 4 мм; диаметр сечения арматурных стержней металлических сеток не менее 3 мм; диаметр одиночных связей - не менее 5 мм;
прочность кладочных материалов внутреннего слоя многослойных конструкций из легких бетонов, в том числе из ячеистого бетона следует принимать не ниже класса В2 при плотности не менее D450;
предусматривать в многослойных стенах из кирпича и камня плитный утеплитель из пенополистирола, пенополиуретана, жестких и полужестких минераловатных плит с гофрированной структурой волокон.
9.34 Проектные решения должны быть обоснованы расчетами и приниматься с учетом конструктивных требований и положений, в том числе указанных в приложении Д:
опирание лицевого слоя кладки должно выполняться на консоли междуэтажных железобетонных перекрытий при обеспечении допустимого отклонения от вертикальной грани торцов перекрытия (свес) не более 15 мм;
гибкие связи в многослойных стенах с утеплителем должны обеспечивать возможность восприятия силовых, температурно-усадочных и осадочных деформаций;
шаг связей должен определяться по расчету с учетом высоты здания, количество гибких связей должно приниматься не менее 5 шт./м2 и устанавливаться в "шахматном" порядке. По периметру проемов, на углах здания и вблизи температурных вертикальных швов необходимо устанавливать дополнительные связи;
при проектировании, проведении расчетов и подборе типа гибких связей необходимо учитывать прочность и деформативность самой связи и узлов соединения с конструктивными слоями (облицовки и внутреннего слоя стены);
внутренний слой кладки наружных стен с гибкими связями должен обеспечивать восприятие ветровых нагрузок, которые могут передаваться от лицевого слоя стены и заполнения проемов;
закрепление плит утеплителя к основанию должно выполняться с плотным прилеганием к основанию;
расшивку швов кладки облицовочного слоя следует выполнять "заподлицо" или с внешним валиком.
Вентиляционные отверстия в лицевой кладке следует располагать в вертикальных швах с установкой коробов в соответствии с расчетом как для конструкций с вентилируемой воздушной прослойкой.
Назначение армирования кладки лицевого слоя с гибкими связями и поэтажным опиранием производится в соответствии с расчетами, учитывающими архитектурно-планировочные решения здания и его климатический температурный режим эксплуатации.
Не допускается в построечных условиях приклеивать на наружный торец плиты перекрытия декоративные элементы. Устройство декоративной отделки следует выполнять до заливки плиты бетоном с заведением в плиту анкеров.
Для повышения теплотехнических характеристик стен допускается применять наружные фасадные системы теплоизоляции, в том числе с кирпичной облицовкой.
Крепление к лицевому слою стен с гибкими связями растяжек, вентиляционного и другого оборудования не допускается.
Анкеровка стен и столбов
9.35 Каменные стены и столбы должны крепиться к перекрытиям и покрытиям анкерами сечением не менее 0,5 см2 на 1 п.м.
9.36 Концы балок, прогонов, ферм должны крепиться анкерами к стенам. Расстояние между анкерами перекрытий из сборных настилов или панелей, опирающихся на стены, должно быть не более 3 м. При увеличении расстояния следует предусматривать дополнительные анкеры, соединяющие стены с покрытием. Концы балок и плит, укладываемые на прогоны, внутренние стены или столбы, должны быть заанкерены и при двухстороннем опирании соединены между собой.
9.37 Самонесущие стены в каркасных зданиях должны быть соединены с колоннами гибкими связями, допускающими возможность независимых вертикальных деформаций стен и колонн. Связи, устанавливаемые по высоте колонн, должны обеспечивать устойчивость стен, а также передачу действующей на них ветровой нагрузки на колонны каркаса.
9.38 Расчет анкеров должен производиться:
а) при расстоянии между анкерами более 3 м;
б) при несимметричном изменении толщины столба или стены;
в) для простенков при общей величине нормальной силы N более 1000 кН (100 т).
Расчетное усилие в анкере определяется по формуле
Ns = M/H + 0.01N, (50)
где M - изгибающий момент от расчетных нагрузок в уровне перекрытия или покрытия (см. 9.10) в местах опирания их на стену на ширине, равной расстоянию между анкерами;
H - высота этажа;
N - расчетная нормальная сила в уровне расположения анкера на ширине, равной расстоянию между анкерами.
Примечание - Указания настоящего пункта не распространяются на стены из виброкирпичных панелей.

9.39 В случае назначения толщины стены или перегородок с учетом опирания по контуру необходимо предусматривать их крепление к примыкающим боковым конструкциям и к верхнему перекрытию.
Опирание элементов конструкций на кладку
9.40 Под опорными участками элементов, передающих местные нагрузки на кладку, следует предусматривать слой раствора толщиной не более 15 мм, что должно быть указано в проекте.
9.41 В местах приложения местных нагрузок в случае, когда это требуется по расчету на смятие, следует предусматривать установку распределительных плит толщиной, кратной толщине рядов кладки, но не менее 15 см, армированных по расчету двумя сетками с общим количеством арматуры не менее 0,5% объема бетона.
9.42 При опирании ферм, балок покрытий, подкрановых балок и т.п. на пилястры следует предусматривать связь распределительных плит на опорном участке кладки с основной стеной. Глубина заделки плит в стену должна составлять не менее 12 см (рисунок 13). Выполнение кладки, расположенной над плитами, следует предусматривать непосредственно после установки плит. Предусматривать установку плит в борозды, оставляемые при кладке стен, не допускается.

Рисунок 13 - Железобетонные распределительные плиты
9.43 При местных краевых нагрузках, превышающих 80% расчетной несущей способности кладки при местном сжатии, следует предусматривать армирование опорного участка кладки сетками из стержней диаметром не менее 3 мм с размером ячейки не более 60х60 мм, уложенными не менее чем в трех верхних горизонтальных швах.
При передаче местных нагрузок на пилястры участок кладки, расположенный в пределах 1 м ниже распределительной плиты, следует армировать через три ряда кладки сетками, указанными в настоящем пункте. Сетки должны соединять опорные участки пилястр с основной частью стены и заделываться в стену на глубину не менее 120 мм.
Расчет узлов опирания элементов на кирпичную кладку
9.44 При опирании на кирпичные стены и столбы железобетонных прогонов, балок и настилов кроме расчета на внецентренное сжатие и смятие сечений ниже опорного узла должно быть проверено на центральное сжатие сечение по кладке и железобетонным элементам.
Расчет опорного узла при центральном сжатии следует производить по формуле
N ≤ gpRA, (51)
где A - суммарная площадь сечения кладки и железобетонных элементов в опорном узле в пределах контура стены или столба, на которые уложены элементы;
R - расчетное сопротивление кладки сжатию;
g - коэффициент, зависящий от величины площади опирания железобетонных элементов в узле;
p - коэффициент, зависящий от типа пустот в железобетонном элементе.
Коэффициент g при опирании всех видов железобетонных элементов (прогонов, балок, перемычек, поясов, настилов) принимается:
g = 1, если Ab ≤ 0.1A
g = 0.8, если Ab > 0.4A
где Ab - суммарная площадь опирания железобетонных элементов в узле.
При промежуточных значениях Ab коэффициент g определяется интерполяцией.
Если железобетонные элементы (балки, настилы и др.), опертые на кладку с различных сторон, имеют одинаковую высоту и площадь их опирания в узле Ab > 0.8A, разрешается производить расчет без учета коэффициента g, принимая в формуле (51) A = Ab.
Коэффициент p принимается равным:
при сплошных элементах и настилах с круглыми пустотами - 1;
при настилах с овальными пустотами и наличии хомутов на опорных участках - 0,5.
9.45 В сборных железобетонных настилах с незаполненными пустотами кроме проверки несущей способности опорного узла в целом должна быть проверена несущая способность горизонтального сечения, пересекающего ребра настила, по формуле
N ≤ (nRbAn + RAk), (52)
где Rb - расчетное сопротивление бетона осевому сжатию, принимается в соответствии с СП 63.13330;
An - площадь горизонтального сечения настила, ослабленная пустотами, на длине опирания настила на кладку (суммарная площадь сечения ребер);
R - расчетное сопротивление кладки сжатию;
Ak - площадь сечения кладки в пределах опорного узла (без учета части сечения, занимаемой участками настилов);
n = 1.25 - для тяжелых бетонов и n = 1.1 для бетонов на пористых заполнителях.
9.46 Расчет заделки в кладку консольных балок (рисунок 14, а) следует производить по формуле
Q ≤ Rcab / (6e0/a + 1), (53)
где Q - расчетная нагрузка от веса балки и приложенных к ней нагрузок;
Rc - расчетное сопротивление кладки при смятии;
a - глубина заделки балки в кладку;
b - ширина полок балки;
e0 - эксцентриситет расчетной силы относительно середины заделки
e0 = c + a/2,
c - расстояние силы Q от плоскости стены.


Рисунок 14 - Расчетные схемы заделки консольных балок
Необходимую глубину заделки следует определять по формуле
a = 2Q / Rcb + √(4Q2/R2cb2 + 6Qcc/Rcb). (54)
Если заделка конца балки не удовлетворяет расчету по формуле (53), то следует увеличить глубину заделки или уложить распределительные подкладки под балкой и над ней.
Если эксцентриситет нагрузки относительно центра площади заделки превышает более чем в 2 раза глубину заделки (e0 > 2a), напряжения от сжатия могут не учитываться: расчет в этом случае производится по формуле
Q = Rca2b / 6e0. (55)
При применении распределительных подкладок в виде узких балок с шириной не более 1/3 глубины заделки допускается принимать под ними прямоугольную эпюру напряжений (рисунок 14, б).
Перемычки и висячие стены
9.47 Железобетонные перемычки следует рассчитывать на нагрузку от перекрытий и на давление от свежеуложенной, неотвердевшей кладки, эквивалентное весу пояса кладки высотой, равной 1/3 пролета для кладки в летних условиях и целому пролету для кладки в зимних условиях (в стадии оттаивания).
Примечания
1 Допускается при наличии соответствующих конструктивных мероприятий (выступы в сборных перемычках, выпуски арматуры и т.п.) учитывать совместную работу кладки с перемычкой.
2 Нагрузки на перемычки от балок и настилов перекрытий не учитываются, если они расположены выше квадрата кладки со стороной, равной пролету перемычки, а при оттаивающей кладке, выполненной способом замораживания, - выше прямоугольника кладки с высотой, равной удвоенному пролету перемычки в свету. При оттаивании кладки перемычки допускается усиливать постановкой временных стоек на клиньях на период оттаивания и первоначального твердения кладки.
3 В вертикальных швах между брусковыми перемычками, в случаях когда не обеспечивается требуемое сопротивление их теплопередаче, следует предусматривать укладку утеплителя.
9.48 Кладку висячих стен, поддерживаемых рандбалками, следует проверять на прочность при смятии в зоне над опорами и под опорами рандбалок. Длину эпюры распределения давления в плоскости контакта стены и рандбалки следует определять в зависимости от жесткости кладки и рандбалки. При этом рандбалка заменяется эквивалентным по жесткости условным поясом кладки, высота которого определяется по формуле
, (56)
где Eb - начальный модуль упругости бетона;
Ired - момент инерции приведенного сечения рандбалки, принимаемый в соответствии с СП 63.13330;
E - модуль деформации кладки, определяемый по формуле (7);
h - толщина висячей стены.
Жесткость стальных рандбалок определяется как произведение
EsIs,
где Es и Is - модуль упругости стали и момент инерции сечения рандбалки.
9.49 Эпюру распределения давления в кладке над промежуточными опорами неразрезных рандбалок следует принимать по треугольнику при α ≤ 2s (рисунок 15, а) и по трапеции при 3s ≥ α > 2s (рисунок 15, б) с меньшим ее основанием, равным α - 2s. Максимальная величина напряжений смятия σc (высота треугольника или трапеции) должна определяться из условия равенства объема эпюры давления и опорной реакции рандбалки по формулам:
при треугольной эпюре давления (α ≤ 2s)
σc = 2N / h(α + 2s), (57)
при трапециевидной эпюре давления (3s > α > 2s))
σc = N / ah, (58)
где α - длина опоры (ширина простенка);
N - опорная реакция рандбалки от нагрузок, расположенных в пределах ее пролета и длины опоры, за вычетом собственного веса рандбалки;
s = 1.57H0 - длина участка эпюры распределения давления в каждую сторону от грани опоры;
h - толщина стены.
Если α > 3s, то в формуле (58) вместо α следует принимать расчетную длину опоры, равную α1 = 3s, состоящую из двух участков длиной по 1.5s с каждой стороны простенка (рисунок 15, в).


а - на средних опорах неразрезных балок при α ≤ 2s; б - то же, при 3s ≥ α ≥ 2s; в - то же, при α > 3s; г - на крайних опорах неразрезных балок и на опорах однопролетных рандбалок
Рисунок 15 - Распределение давления в кладке над опорами висячих стен
9.50 Эпюру распределения давления над крайними опорами рандбалок, а также над опорами однопролетных рандбалок следует принимать треугольной (рисунок 15, г) с основанием
lc = α1 + s1, (59)
где s1 = 0.9H0 - длина участка распределения давления от грани опоры;
α1 - длина опорного участка рандбалки, но не более 1,5H (H - высота рандбалки).
Максимальное напряжение над опорой рандбалки
σc = 2N / (α1 + s1)h (60)
9.51 Прочность кладки висячих стен при местном сжатии в зоне, расположенной над опорами рандбалок, следует проверять по указаниям, приведенным в 7.13-7.16.
Расчет на местное сжатие кладки под опорами неразрезных рандбалок следует производить для участка, расположенного в пределах опоры длиной не более 3H от ее края (H - высота рандбалки) и длиной не более 1,5H для однопролетных рандбалок и крайних опор неразрезных рандбалок.
Если рассчитываемое сечение расположено на высоте H1 над верхней гранью рандбалки, то при определении длины участков s и s1 следует принимать высоту пояса кладки H01 = H0 + H1.
Расчетную площадь сечения A при расчете висячих стен на местное сжатие следует принимать: в зоне, расположенной над промежуточными опорами неразрезных рандбалок, как для кладки, загруженной местной нагрузкой в средней части сечения; в зоне над опорами однопролетных рандбалок или крайними опорами неразрезных рандбалок, а также при расчете кладки под опорами рандбалок как для кладки, загруженной на краю сечения.
9.52 Эпюру распределения давления в кладке висячих стен при наличии проемов следует принимать по трапеции, причем площадь треугольника, который отнимается от эпюры давления в пределах проема, заменяется равновеликой площадью параллелограмма, добавляемой к остальной части эпюры (рисунок 16). При расположении проемов на высоте H1 над рандбалкой длина участка s соответственно увеличивается (см. 9.51).

Рисунок 16 - Эпюра распределения давления в кладке висячих стен при наличии проема
9.53 Расчет рандбалок должен производиться на два случая загружения:
а) на нагрузки, действующие в период возведения стен. При кладке стен из кирпича, керамических камней или обыкновенных бетонных камней должна приниматься нагрузка от собственного веса неотвердевшей кладки высотой, равной 1/3 пролета для кладки в летних условиях и целому пролету - для кладки в зимних условиях (в стадии оттаивания при выполнении кладки способом замораживания, см. 10.1).
При кладке стен из крупных блоков (бетонных или кирпичных) высоту пояса кладки, на нагрузку от которого должны быть рассчитаны рандбалки, следует принимать равной 1/2 пролета, но не менее высоты одного ряда блоков. При наличии проемов и высоте пояса кладки от верха рандбалок до подоконников менее 1/3 пролета следует учитывать также вес кладки стен до верхней грани железобетонных или стальных перемычек (рисунок 17). При рядовых, клинчатых и арочных перемычках должен учитываться вес кладки стен до отметки, превышающей отметку верха проема на 1/3 его ширины;
б) на нагрузки, действующие в законченном здании. Эти нагрузки следует определять исходя из приведенных выше эпюр давлений, передающихся на балки от опор и поддерживаемых балками стен.

1 - нагрузка на рандбалку; 2 - железобетонная перемычка
Рисунок 17 - Схема нагрузки на рандбалку при наличии проема в стене
Количество и расположение арматуры в балках устанавливают по максимальным величинам изгибающих моментов и поперечных сил, определенных по двум указанным выше случаям расчета.
Карнизы и парапеты
9.54 Расчет верхних участков стен в сечении, расположенном непосредственно под карнизами, производится для двух стадий готовности здания:
а) для незаконченного здания, когда отсутствуют крыша и чердачное перекрытие;
б) для законченного здания.
9.55 При расчете стены под карнизом для незаконченного здания должны учитываться следующие нагрузки:
а) расчетная нагрузка от собственного веса карниза и опалубки (для монолитных железобетонных и армированных каменных карнизов), если она поддерживается консолями или подкосами, укрепленными в кладке;
б) временная расчетная нагрузка по краю карниза 100 кг на 1 м карниза или на один элемент сборного карниза, если он имеет длину менее 1 м;
в) нормативная ветровая нагрузка на внутреннюю сторону стены.
Примечания
1 Если по проекту концы анкеров, обеспечивающих устойчивость карниза, заделываются под чердачным перекрытием, то при расчете должно учитываться наличие чердачного перекрытия (полностью или частично).
2 Расчетом должна быть также проверена устойчивость карниза при неотвердевшей кладке.
9.56 Карнизы и участки стен под карнизами законченных зданий должны быть рассчитаны на следующие нагрузки:
а) вес всех элементов здания, как создающих опрокидывающий момент относительно наружной грани стены, так и повышающих устойчивость стены, при этом вес крыши принимается уменьшенным на величину отсоса от ветровой нагрузки;
б) расчетная нагрузка на край карниза 150 кг на 1 м или на один элемент сборного карниза длиной менее 1 м;
в) половина расчетной ветровой нагрузки.
Примечание - Снеговая нагрузка при расчете карнизов не учитывается.
9.57 Общий вынос карниза в сплошной кладке, образованного напуском рядов кладки, не должен превышать половины толщины стены. При этом вынос каждого ряда не должен превышать 1/3 длины камня или кирпича.
Устройство кирпичных карнизов в трехслойных стенах, образованных напуском рядов, не допускается.
9.58 Для кладки карнизов с выносом менее половины толщины стены и не более 200 мм применяются те же растворы, что и для кладки верхнего этажа. При большем выносе кирпичных карнизов марка раствора для кладки должна быть не ниже 50.
9.59 Карнизы и парапеты при недостаточной их устойчивости должны закрепляться анкерами, заделываемыми в нижних участках кладки.
Расстояние между анкерами не должно превышать 2 м, если концы анкеров закрепляются отдельными шайбами. При закреплении концов анкеров за балку или за концы прогонов расстояние между анкерами может быть увеличено до 4 м. Заделка анкеров должна располагаться не менее чем на 150 мм ниже того сечения, где они требуются по расчету.
При железобетонных чердачных перекрытиях концы анкеров следует заделывать под ними.
При сборных карнизах из железобетонных элементов в процессе возведения должна быть обеспечена устойчивость каждого элемента.
9.60 Анкеры должны располагаться, как правило, в кладке на расстоянии в 1/2 кирпича от внутренней поверхности стены. Анкеры, расположенные снаружи кладки, должны быть защищены слоем цементной штукатурки толщиной 30 мм (от поверхности анкера).
При кладке на растворах марки 10 и ниже анкеры должны закладываться в борозды с последующей заделкой их бетоном.
9.61 Сечение анкера допускается определять по усилию, определяемому по формуле
N = M / 0.85h0, (61)
где M - наибольший изгибающий момент от расчетных нагрузок;
h0 - расстояние от сжатого края сечения стены до оси анкера (расчетная высота сечения).
9.62 Кладка стен под карнизами проверяется на внецентренное сжатие. При отсутствии анкеров, а также при наличии анкеров в сечении на уровне их заделки эксцентриситеты более 0,7y не допускаются.
Во всех случаях должны быть проверены расчетом все узлы передачи усилий (места заделки анкеров, анкерных балок и т.п.).
9.63 Парапеты следует рассчитывать в нижнем сечении на внецентренное сжатие при действии нагрузок от собственного веса и расчетной ветровой нагрузки, принимаемой с аэродинамическим коэффициентом 1,4. При отсутствии анкеров эксцентриситеты более 0,7y не допускаются.
9.64 Нагрузки, повышающие устойчивость карнизов и парапетов, принимаются с коэффициентом 0,9.
Фундаменты и стены подвалов
9.65 Фундаменты, стены подвалов и цоколи, возводимые из кладочных стеновых материалов, следует преимущественно проектировать из крупных бетонных блоков. Допускается также применение мелких бетонных блоков и камней, природных камней правильной и неправильной формы, монолитного бетона и бутобетона, клинкерного, полнотелого керамического кирпича пластического формования. Расчетные сопротивления кладки ленточных фундаментов и стен подвалов, выполняемых из крупных бетонных блоков, принимаются по таблице 5.
При расчете стены подвала или фундаментной стены в случае, когда толщина ее меньше толщины стены, расположенной непосредственно над ней, следует учитывать случайный эксцентриситет e = 40 мм, величина этого эксцентриситета должна суммироваться с величиной эксцентриситета равнодействующей продольных сил. Толщина стены первого этажа не должна превышать толщину фундаментной стены более чем на 200 мм. Участок стены первого этажа, расположенный непосредственно над обрезом, должен быть армирован сетками (см. 9.34).
9.66 Переход от одной глубины заложения фундамента к другой следует производить уступами. При плотных грунтах отношение высоты уступа к его длине должно быть не более 1:1 и высота уступа - не более 1 м. При неплотных грунтах отношение высоты уступа к его длине должно быть не более 1:2 и высота уступа - не более 0,6 м.
Уширение бутобетонных и бутовых фундаментов к подошве производится уступами. Высота уступа принимается для бутобетона не менее 300 мм, а для бутовой кладки - в два ряда кладки (350-600 мм). Минимальные отношения высоты уступов к их ширине для бутобетонных и бутовых фундаментов должны быть не менее указанных в таблице 32.
Таблица 32
|
Класс бетона |
Марка раствора |
Минимальное отношение высоты уступов к их ширине при расчетной нагрузке, МПа (кгс/см3) |
|
|
|
|
σ ≤ 0,2 (2,0) |
σ > 0,25 (2,5) |
|
В3,5-В7,5 |
50-100 |
1,25 |
1,5 |
|
В1-В2 |
10-25 |
1,5 |
1,75 |
|
- |
4 |
1,75 |
2,0 |
|
Примечание - Проверка уступов на изгиб и срез не требуется. |
|||
9.67 В фундаментах и стенах подвалов:
а) из бутобетона толщина стен принимается не менее 350 мм и размеры сечения столбов не менее 400 мм;
б) из бутовой кладки толщина стен принимается не менее 500 мм и размеры сечения столбов не менее 600 мм.
9.68 Наружные стены подвалов должны быть рассчитаны с учетом бокового давления грунта и нагрузки, находящейся на поверхности земли. При отсутствии специальных требований нормативную нагрузку на поверхности земли следует принимать равной 1000 кгс/м2. Стены подвалов следует рассчитывать как балки с двумя неподвижными шарнирными опорами.
9.69 Тонкостенные сводчатые покрытия следует проектировать в виде сводов двоякой кривизны.
Для кладки сводов двоякой кривизны следует применять:
а) кирпич керамический (полнотелый и пустотелый) или силикатный марки не ниже 75 при пролете сводов до 18 м и не ниже 100 при больших пролетах;
б) камни из тяжелого бетона, бетона на пористых заполнителях, автоклавного цементного ячеистого бетона, а также природные камни марки не ниже 50.
Примечание - При пролете сводов до 12 м допускается применение природных камней марки не ниже 25, при этом толщина сводов должна быть не менее 90 мм.
9.70 Для кладки сводов двоякой кривизны, включая их пяты, а также верхние участки стен в пределах 6-7 рядов кладки ниже уровня примыкания свода, следует применять растворы марки не ниже 50.
9.71 Расчет сводов двоякой кривизны должен производиться на внецентренное сжатие по условной расчетной схеме как плоских двухшарнирных арок. Рассчитывается одна волна сводчатого покрытия в сечениях с максимальными изгибающими моментами.
Расчетные сопротивления кладки сводов толщиной в 1/4 кирпича должны приниматься по 6.1 с коэффициентом 1,25.
9.72 Величина эксцентриситета приложения нормальной силы в поперечных сечениях сводов и в верхних частях стен при основных сочетаниях нагрузок не должна превышать 0,7y, где y - расстояние от оси поперечного сечения свода или стены до края сечения в сторону эксцентриситета. В сводах с затяжками для уменьшения расчетного изгибающего момента от внецентренного расположения затяжек должны устраиваться выносные пяты с внутренней стороны стен.
9.73 Расчетные изгибающие моменты, вызываемые удлинением затяжек, обжатием свода и смещением пят, следует учитывать только от нагрузок, действующих на свод после его раскружаливания (вес утеплителя, кровли, фонарей, снеговой нагрузки и т.п.).
9.74 Модуль деформаций кладки сводов при определении усилий в затяжках следует принимать по формуле (7).
Конструктивные требования к армированной кладке
9.75 Сетчатое армирование горизонтальных швов кладки допускается применять только в случаях, когда повышение марок кирпича, камней и растворов не обеспечивает требуемой прочности кладки и площадь поперечного сечения элемента не может быть увеличена.
Количество сетчатой арматуры, учитываемой в расчете столбов и простенков, должно составлять не менее 0,1% объема кладки (см. 7.30).
9.76 Арматурные сетки следует укладывать не реже чем через пять рядов кирпичной кладки из одинарного керамического полнотелого кирпича, через четыре ряда кладки из утолщенного кирпича и через три ряда кладки из керамических камней.
В многослойных стенах с прокладными тычковыми рядами сетки необходимо располагать под прокладными рядами не реже, чем через 6 рядов кладки из одинарного керамического кирпича по высоте стены.
Армирование ненесущих многослойных стен с гибкими связями следует выполнять с применением кладочных сеток или продольными стержнями диаметром не более 5 мм и поперечными стержнями диаметром 3 мм, устанавливаемыми с шагом не более 200 мм.
Длина перехлеста сеток в местах их стыковки должна составлять не менее 150 мм.
Армирование лицевого слоя при отсутствии вертикальных деформационных швов на углах должно выполняться сетками через 3 ряда кладки по высоте, длиной 1 м в обе стороны от угла или до ближайшего вертикального деформационного шва.
9.77 Диаметр сетчатой арматуры должен быть не менее 3 мм.
Диаметр арматуры в горизонтальных швах кладки должен быть, не более:
при пересечении арматуры в швах - 6 мм;
без пересечения арматуры в швах - 8 мм.
Расстояние между поперечными стержнями сетки должно быть не более 120 мм и не менее 30 мм.
Швы кладки армокаменных конструкций должны иметь толщину не более 16 мм и превышать диаметр арматуры не менее чем на 4 мм.
Деформационные швы в зданиях с несущими стенами
9.78 Температурно-усадочные швы в стенах каменных зданий должны устраиваться в местах возможной концентрации температурных и усадочных деформаций, которые могут вызвать недопустимые по условиям эксплуатации разрывы кладки, трещины, перекосы и сдвиги кладки по швам (по концам протяженных армированных и стальных включений, а также в местах значительного ослабления стен отверстиями или проемами). Расстояния между температурно-усадочными швами должны устанавливаться расчетом.
9.79 Максимальные расстояния между температурно-усадочными швами, которые допускается принимать для неармированных наружных стен без расчета:
а) для надземных каменных и крупноблочных стен отапливаемых зданий при длине армированных бетонных и стальных включений (перемычки, балки и т.п.) не более 3,5 м и ширине простенков не менее 0,8 м - по таблице 33; при длине включений более 3,5 м участки кладки по концам включений должны проверяться расчетом по прочности и раскрытию трещин;
б) то же, для стен из бутобетона - по таблице 33 как для кладки из бетонных камней на растворах марки 50 с коэффициентом 0,5;
в) то же, для многослойных стен - по таблице 33 для материала основного конструктивного слоя стен;
г) для стен неотапливаемых каменных зданий и сооружений для условий, указанных в "а", - по таблице 33 с умножением на коэффициенты:
для закрытых зданий и сооружений - 0,7;
для открытых сооружений - 0,6;
д) для каменных и крупноблочных стен подземных сооружений и фундаментов зданий, расположенных в зоне сезонного промерзания грунта, - по таблице 33 с увеличением в два раза; для стен, расположенных ниже границы сезонного промерзания грунта, а также в зоне вечной мерзлоты, - без ограничения длины.
Таблица 33
|
Средняя температура наружного воздуха наиболее холодной пятидневки |
Расстояние между температурными швами, м, при кладке |
|||||
|
|
из керамического кирпича и камней в т.ч. крупноформатных, природных камней, крупных блоков из бетона или керамического кирпича |
из силикатного кирпича, бетонных камней, крупных блоков из силикатного бетона и силикатного кирпича |
||||
|
|
на растворах марок |
|||||
|
|
50 и более |
25 и более |
50 и более |
25 и более |
||
|
Минус |
40 °С |
и ниже |
50 |
60 |
35 |
40 |
|
" |
30 °С |
|
70 |
90 |
50 |
60 |
|
" |
20 °С |
и выше |
100 |
120 |
70 |
80 |
|
Примечания |
||||||
9.80 Деформационные швы в стенах, связанных с железобетонными или стальными конструкциями, должны совпадать со швами в этих конструкциях. При необходимости в зависимости от конструктивной схемы зданий в кладке стен следует предусматривать дополнительные температурные швы без разрезки швами в этих местах железобетонных или стальных конструкций.
9.81 Осадочные швы в стенах должны быть предусмотрены во всех случаях, когда возможна неравномерная осадка основания здания или сооружения.
9.82 Деформационные и осадочные швы следует проектировать со шпунтом или четвертью, заполненными упругими прокладками, исключающими возможность продувания швов.
Деформационные швы в зданиях с ненесущими многослойными стенами (в наружном лицевом слое)
9.83 Горизонтальные деформационные швы в наружных ненесущих стенах (заполнениях каркаса при поэтажном опирании слоев) должны выполняться в уровне нижней грани междуэтажных плит перекрытий на всю толщину стены.
Расстояние между горизонтальными деформационными швами в ненесущих стенах с гибкими связями должно назначаться с учетом высоты этажа здания.
Толщину горизонтальных деформационных швов в лицевом слое многослойных стен следует принимать из расчета допустимых прогибов вышележащих конструкций, но не менее 30 мм (СП 20.13330).
В конструкции шва следует предусматривать упругие прокладки, эффективный утеплитель (во внутреннем слое) и нетвердеющие атмосферостойкие мастики.
Не допускается попадание в шов кладочного раствора и боя кирпича.
9.84 Вертикальные температурные швы в лицевом слое многослойных наружных ненесущих стен (в том числе заполнения каркасов) должны назначаться по расчету на температурно-влажностные воздействия, инсоляцию и солнечную радиацию из условия обеспечения прочности и трещиностойкости кладки при условии выполнения требований, указанных в приложении Д.
Расстояния между вертикальными температурными швами и их положение должны назначаться в проекте с учетом указаний приложения Д и конструктивных требований к шагу их расположения.
Толщину шва следует принимать не менее 10 мм, в заполнении шва следует предусматривать упругие прокладки и атмосферостойкие мастики.
10 Указания по проектированию конструкций, возводимых в зимнее время
10.1 Способ кладки, применяемый для возведения зданий и сооружений в зимнее время при отрицательных температурах, должен обосновываться предварительными технико-экономическими расчетами, обеспечивающими оптимальные показатели стоимости, трудоемкости, расхода цемента, электроэнергии, топлива и т.п. Принятый способ зимней кладки должен обеспечивать прочность и устойчивость конструкций как в период их возведения, так и последующей эксплуатации. Выполнение зимней кладки из кирпича, камней правильной формы и крупных блоков следует предусматривать одним из следующих способов:
а) на растворах не ниже марки М50, твердеющих на морозе без обогрева с применением противоморозных химических добавок, не вызывающих коррозии материалов кладки и удовлетворяющих требованиям ГОСТ 24211 и ГОСТ 30459;
б) способом замораживания на обыкновенных растворах не ниже марки 10 без химических добавок. При этом элементы конструкций должны иметь достаточную прочность и устойчивость как в период их первого оттаивания (при наименьшей прочности свежеоттаявшего раствора), так и в последующий период эксплуатации зданий. Высота каменных конструкций, возводимых способом замораживания, определяется расчетом, но не должна превышать 15 м и четырех этажей. Допускается выполнение способом замораживания фундаментов малоэтажных зданий (до трех этажей включительно) из постелистого камня, укладываемого "враспор" со стенками траншей на растворах не ниже марки М25;
в) способом замораживания на обыкновенных растворах не ниже марки 50 без химических добавок с обогревом возводимых конструкций в течение времени, за которое кладка достигает несущей способности, достаточной для нагружения вышележащими конструкциями зданий.
10.2 Расчетные сопротивления сжатию кладки, выполнявшейся на растворах с противоморозными химическими добавками, принимаются:
равными расчетным сопротивлениям летней кладки, приведенным в таблицах 2-8, если каменная кладка будет выполняться при среднесуточной температуре наружного воздуха до минус 15 °С, и с понижающим коэффициентом 0,9, если кладка будет выполняться при температуре ниже минус 15 °С.
10.3 Расчетные сопротивления сжатию кладки, выполнявшейся способом замораживания и способом замораживания с обогревом возведенных конструкций, на растворах без противоморозных добавок в законченном здании после оттаивания и твердения раствора при положительных температурах следует принимать по таблицам 2-8 с понижающими коэффициентами: для кирпичной и каменной кладок при среднесуточной температуре наружного воздуха, при которой выполнялись кладки, до минус 15 °С - 0,9 и до минус 30 °С - 0,8, для кладки из крупных блоков расчетные сопротивления не снижаются.
10.4 Мероприятия, обеспечивающие необходимую конечную прочность зимней кладки (повышение марок растворов, применение кирпича и камней повышенной прочности или в отдельных случаях применение сетчатого армирования), должны быть указаны на рабочих чертежах. При кладке, выполняемой на растворах с химическими добавками (10.2), указанные мероприятия применяются для элементов кладки, несущая способность которых используется более чем на 90%, при кладке, выполняемой способом замораживания (10.3), - для элементов, несущая способность которых используется более чем на 70%.
10.5 При кладке на растворах с противоморозными добавками, не вызывающими коррозии арматуры, коэффициенты условий работы γc1 и γcs1, приведенные в таблице 34, не учитываются. При кладке способом замораживания или способом замораживания с искусственным обогревом возведенных конструкций следует учитывать влияние пониженного сцепления раствора с камнем и арматурой введением в расчетные формулы коэффициентов условий работы γc1 и γcs1.
Таблица 34
|
Вид напряженного состояния зимней кладки |
Коэффициенты условий работы |
|
|
|
кладки γc1 |
сетчатой арматуры γcs1 |
|
1 Сжатие отвердевшей (после оттаивания) кладки из кирпича |
1,0 |
- |
|
2 То же, бутовой кладки из постелистого камня |
0,8 |
- |
|
3 Растяжение, изгиб, срез отвердевшей кладки всех видов по растворным швам |
0,5 |
- |
|
4 Сжатие кладки с сетчатым армированием, возводимой способом замораживания в стадии оттаивания |
- |
0,5 |
|
5 То же, отвердевшей (после оттаивания) |
- |
0,7 |
|
6 То же, возводимой на растворах с противоморозными добавками при твердении на морозе и прочности раствора не менее 1,5 МПа (15 кгс/см2) в момент оттаивания |
- |
1,0 |
10.6 В рабочих чертежах зданий повышенной этажности (9 этажей и более), возводимых зимой на растворах с противоморозными химическими добавками, следует указывать требуемые промежуточные прочности раствора на этажах для различных стадий готовности здания.
10.7 Расчет несущей способности конструкций, возводимых способом замораживания на обыкновенных растворах (без противоморозных добавок), должен производиться: в стадии оттаивания при расчетной прочности оттаивающего раствора 0,2 МПа (2 кгс/см2) при растворе на портландцементе и толщине стен и столбов 38 см и более; при нулевой прочности оттаивающего раствора и растворе на шлакопортландцементе или пуццолановом цементе независимо от толщины стен и столбов, а также при растворе на портландцементе, если толщина стен и столбов менее 38 см.
При расчете в стадии оттаивания должно учитываться влияние пониженного сцепления раствора с камнем и арматурой введением в расчетные формулы дополнительных коэффициентов условий работы γc1 и γcs1, приведенных в таблице 34.
10.8 Прочность зимней кладки, выполняемой способом замораживания с обогревом, должна определяться расчетом с учетом упрочнения, достигнутого раствором в пределах всего или части сечения.
Отогревание конструкций допускается только после проверки расчетом их достаточной несущей способности в период искусственного оттаивания кладки.
10.9 Участки кладки, выполняемой способом замораживания (столбы, простенки), в которых расчетом были выявлены перенапряжения в стадии оттаивания, необходимо усиливать установкой временных стоек на клиньях на период оттаивания и последующего твердения кладки.
10.10 Возведение кладки на обыкновенных растворах способом замораживания не допускается для конструкций:
а) из бутобетона и рваного бута;
б) подвергающихся в стадии оттаивания вибрации или значительным динамическим нагрузкам;
в) подвергающихся в стадии оттаивания поперечным нагрузкам, величина которых превышает 10% продольных;
г) с эксцентриситетами в стадии оттаивания, превышающими 0,25y для конструкций, не имеющих верхней опоры, и 0,7y при наличии верхней опоры;
д) с отношением высот стен (столбов) к их толщинам, превышающим в стадии оттаивания значения β, установленные для кладок IV группы (см. 9.17-9.19).
Для конструкций, не имеющих верхней опоры (см. 9.20), предельные отношения следует уменьшать в два раза и принимать не более β = 6. В случаях превышения предельно допускаемой гибкости конструкции при их возведении следует усилить временными креплениями, обеспечивающими их устойчивость в период оттаивания.
10.11 В качестве противоморозной добавки к растворам допускается применять только нитрит натрия:
а) при возведении цехов, бань, прачечных и других помещений с влажным и мокрым режимами эксплуатации, а также помещений с температурой воздуха выше 40 °С;
б) при возведении конструкций, расположенных в зоне переменного уровня воды и под водой, не имеющих гидроизоляции.
10.12 Не допускается непосредственный контакт растворов с добавками нитрита натрия, поташа, НКМ, ННХКМ с оцинкованными и алюминиевыми закладными частями без предварительной защиты их протекторными покрытиями.
10.13. Растворы с добавками поташа не допускается применять в стенах из силикатного кирпича марки ниже M100 и морозостойкостью ниже F25.
10.14 При проектировании каменных стен с облицовками из плит, устанавливаемых одновременно с кладкой в зимних условиях, необходимо учитывать различную деформативность облицовочных слоев и кладки стен и в проекте указывать мероприятия, исключающие возможность образования трещин и отслоений облицовки от основной кладки стен.
10.15 В рабочих чертежах зданий или сооружений, каменные конструкции которых будут возводиться способом замораживания, дополнительно к мероприятиям, приведенным в 10.4, необходимо указывать:
а) предельные высоты стен, которые могут быть допущены в период оттаивания раствора;
б) в необходимых случаях временные крепления конструкций, устанавливаемые до возведения вышележащих этажей, на период их оттаивания и твердения раствора кладки.
Приложение А (обязательное). Перечень нормативных документов
Приложение А
(обязательное)
|
СП 14.13330.20111) |
"СНиП II-7-81* Строительство в сейсмических районах" |
|
________________
|
|
|
СП 16.13330.2011 |
"СНиП II-23-81* Стальные конструкции" |
|
СП 20.13330.2011 |
"СНиП 2.01.07-85* Нагрузки и воздействия" |
|
СП 22.13330.2011 |
"СНиП 2.02.01-83* Основания зданий и сооружений" |
|
СП 50.13330.2012 |
"СНиП 23-02-2003 Тепловая защита зданий" |
|
СП 63.13330.2012 |
"СНиП 52-01-2003 Бетонные и железобетонные конструкции. Основные положения" |
|
СП 64.13330.2011 |
"СНиП II-25-80 Деревянные конструкции" |
|
СП 131.13330.2012 |
"СНиП 23-01-99 Строительная климатология" |
|
ГОСТ Р 51263-99 |
Полистиролбетон. Технические условия |
|
ГОСТ Р 53231-2008 |
Бетоны. Правила контроля и оценки прочности |
|
ГОСТ 4.206-83 |
СПКП. Строительство. Материалы стеновые каменные. Номенклатура показателей |
|
ГОСТ 4.210-79 |
СПКП. Строительство. Материалы керамические отделочные и облицовочные. Номенклатура показателей |
|
ГОСТ 4.219-81 |
СПКП. Строительство. Материалы облицовочные из природного камня и блоки для их приготовления. Показатели качества |
|
ГОСТ 4.233-86 |
СПКП. Растворы. Номенклатура показателей |
|
ГОСТ 379-95 |
Кирпич и камни силикатные. Технические условия |
|
ГОСТ 530-2007 |
Кирпич и камень керамический. Общие технические условия |
|
ГОСТ 4001-84* |
Камни стеновые из горных пород. Технические условия |
|
ГОСТ 5802-86 |
Растворы строительные. Методы испытаний |
|
ГОСТ 6133-99 |
Камни бетонные стеновые. Технические условия |
|
ГОСТ 8462-85 |
Материалы стеновые. Методы определения пределов прочности при сжатии и изгибе |
|
ГОСТ 9479-98 |
Блоки из природного камня для производства облицовочных изделий |
|
ГОСТ 10180-90 |
Бетоны. Методы определения прочности по контрольным образцам |
|
ГОСТ 24211-2008 |
Добавки для бетонов и строительных растворов. Общие технические условия |
|
ГОСТ 25485-89 |
Бетоны ячеистые. Технические условия |
|
ГОСТ 28013-98* |
Растворы строительные. Общие технические условия |
|
ГОСТ 30459-2008 |
Добавки для бетонов и строительных растворов. Определение и оценка эффективности |
|
ГОСТ 31189-2003 |
Смеси сухие строительные. Классификация |
|
ГОСТ 31357-2007 |
Смеси сухие строительные на цементном вяжущем. Технические условия |
Приложение Б (обязательное). Термины и определения
Приложение Б
(обязательное)
В настоящем своде правил использованы общетехнические термины, используемые в нормативно-технической документации (раздел 2), а также следующие термины с соответствующими определениями:
Б.1 каменная кладка: Конструкция из природных или искусственных камней (кирпича, блоков), соединенных между собой раствором, клеевым составом или пастой.
Б.2 кирпич, камни и блоки: Полнотелые и пустотелые кладочные изделия, удовлетворяющие требованиям соответствующих национальных стандартов.
Б.3 кладка зимняя: Возведение каменных конструкций при отрицательных температурах наружного воздуха на растворах с противоморозными добавками, способом замораживания, с обогревом.
Б.4 многослойная (трехслойная) кладка: Конструкция, состоящая из двух слоев кладки и слоя из теплоизоляционных материалов, соединенных гибкими связями.
Б.5 двухслойная кладка: Кладка, состоящая из основного и облицовочного слоев, соединенных между собой сетками, связями или прокладными рядами.
Б.6 колодцевая кладка: Кладка с внутренними пустотами, заполненными утеплителем.
Б.7 обрез: Горизонтальный уступ стены или фундамента, образованный в результате изменения толщины кладки вышележащей части.
Б.8 перемычка: Конструктивный элемент балочного или арочного типа, перекрывающий проем в стене и воспринимающий нагрузку от вышерасположенных конструкций.
Приложение В (обязательное). Основные буквенные обозначения величин
Приложение В
(обязательное)
|
As |
- площадь сечения арматуры; |
|
Ak |
- площадь сечения кладки; |
|
A |
- расчетная площадь сечения элемента; |
|
Ac |
- площадь сжатой части сечения при прямоугольной эпюре напряжений; площадь смятия, на которую передается нагрузка; |
|
An |
- расчетная площадь сечения нетто; |
|
Ared |
- площадь приведенного сечения; |
|
Ac, red |
- площадь сжатой части приведенного сечения; |
|
Ab |
- площадь брутто горизонтального сечения стены; |
|
E0 |
- модуль упругости (начальный модуль деформаций) кладки; |
|
E |
- модуль деформаций кладки; |
|
Eb |
- начальный модуль упругости бетона; |
|
Es |
- модуль упругости стали; |
|
G |
- модуль сдвига кладки; |
|
H |
- расстояние между перекрытиями или другими горизонтальными опорами; |
|
H1 |
- высота верхнего участка стены; |
|
H0 |
- высота эквивалентного по жесткости рандбалке условного пояса кладки; |
|
I |
- момент инерции сечения стен относительно оси, проходящей через центр тяжести сечения стен в плане; |
|
Is |
- момент инерции сечения стальной рандбалки; |
|
L |
- размер сечения элементов при расчете на смятие; |
|
M |
- расчетный изгибающий момент; |
|
N |
- расчетная продольная сила; |
|
Ng |
- расчетная продольная сила от длительных нагрузок; |
|
Nc |
- продольная сжимающая сила от местных нагрузок; |
|
Ncc |
- расчетная несущая способность; |
|
Ns |
- расчетное усилие в анкере; |
|
Q |
- расчетная поперечная сила; |
|
R |
- расчетное сопротивление сжатию кладки; |
|
Rk |
- расчетное сопротивление сжатию виброкирпичной кладки на тяжелых растворах; |
|
Rtb |
- расчетное сопротивление растяжению при изгибе кладки; |
|
Rtw |
- расчетное сопротивление кладки главным растягивающим напряжениям; |
|
Rsq |
- расчетное сопротивление при срезе кладки; |
|
Rs |
- расчетное сопротивление арматуры; |
|
Ru |
- временное сопротивление (средний предел прочности) сжатию кладки; |
|
Rsku |
- временное сопротивление (средний предел прочности) сжатию армированной кладки из кирпича или камней; |
|
Rsn |
- нормативное сопротивление арматуры в армированной кладке; |
|
Rc |
- расчетное сопротивление кладки при смятии; |
|
Ri |
- расчетное сопротивление любого другого слоя стены; |
|
Rsk |
- расчетное сопротивление кладки с сетчатым армированием при осевом, центральном сжатии; |
|
R1 |
- расчетное сопротивление сжатию неармированной кладки в рассматриваемый срок твердения раствора; |
|
R25 |
- расчетное сопротивление кладки при растворе марки 25; |
|
Rskb |
- расчетное сопротивление армированной кладки при внецентренном сжатии; |
|
Rstq |
- расчетное сопротивление скалыванию кладки, армированной продольной арматурой в горизонтальных швах; |
|
Rb |
- расчетное сопротивление бетона осевому сжатию; |
|
S0 |
- статический момент части сечения, находящейся по одну сторону от оси, проходящей через центр тяжести сечения; |
|
S |
- длина участка эпюры распределения давления в каждую сторону от грани опоры; |
|
S1 |
- длина участка распределения треугольной эпюры давления над крайними опорными рандбалками, а также над опорами однопролетных рандбалок от грани опоры; |
|
T |
- сдвигающее усилие в пределах одного этажа; |
|
Vs |
- объем арматуры; |
|
Vk |
- объем кладки; |
|
W |
- момент сопротивления сечения кладки при упругой ее работе; |
|
a, b, c, c1, h |
- геометрические размеры сечения элементов при расчете на смятие (местном сжатии) в соответствии со схемами рисунка 9; |
|
a |
- глубина заделки балки в кладку; |
|
a1 |
- длина опорного участка рандбалки; |
|
b |
- ширина сжатой полки или толщина стенки таврового сечения в зависимости от направления эксцентриситета; |
|
bc |
- ширина балки; |
|
bred |
- приведенная ширина слоя; |
|
c |
- размер квадратной ячейки сетки; |
|
cb, ch |
- расстояния от точки приложения силы Q до ближайших границ прямоугольного сечения элемента; |
|
e0 |
- эксцентриситет действия расчетной нагрузки; |
|
E0g |
эксцентриситет действия длительных нагрузок; |
|
eb, eh |
- эксцентриситеты при косом внецентренном сжатии прямоугольного сечения элемента соответственно сторонам; |
|
g |
- коэффициент, зависящий от величины площади опирания железобетонных элементов в узле; |
|
h |
- меньший размер прямоугольного сечения: |
|
hc1, hc2 |
- высоты сжатой части элементов в сечениях с максимальными изгибающими моментами; |
|
hred |
- условная толщина стен, столбов сложного сечения; |
|
h0 |
- расстояние от сжатого края сечения стены до оси анкера (расчетная высота сечения); |
|
hc |
- высота сжатой части поперечного сечения Ac в плоскости действия изгибающего момента; |
|
i |
- наименьший радиус инерции сечения элемента; |
|
ic |
- радиус инерции сжатой части поперечного сечения Ac в плоскости действия изгибающего момента; |
|
ib, ih |
- радиусы инерции при косом внецентренном сжатии прямоугольного сечения элемента соответственно сторонам; |
|
ic1, ic2 |
- радиусы инерции сжатой части элементов в сечениях с максимальными изгибающими моментами; |
|
k |
- коэффициент, принимаемый по таблице 15; |
|
kp |
- коэффициент для столбов; |
|
l0 |
- расчетная высота (длина) стен и столбов; |
|
l01 |
- расчетная высота верхнего участка стены; |
|
l |
- длина поперечной стены в плане; пролет перемычки в свету; свободная длина стены; |
|
lc |
- основание треугольной эпюры распределения над крайними опорами рандбалок, а также над опорами однопролетных рандбалок; |
|
m |
- коэффициент использования прочности слоя, к которому приводится сечение при расчете многослойной стены; |
|
mg |
- коэффициент, учитывающий влияние длительного воздействия нагрузки; |
|
mi |
- коэффициент использования прочности любого другого слоя стены; |
|
n |
- эмпирический коэффициент, используемый при расчете на срез; |
|
p |
- коэффициент, зависящий от типа пустот в железобетонном элементе; |
|
p1 |
- коэффициент, зависящий от пустотности кирпича (камня) при определении расчетного сопротивления армированной кладки; |
|
s |
- расстояние между сетками по высоте; |
|
v |
- коэффициент неравномерности касательных напряжений в сечении; |
|
y |
- расстояние от центра тяжести сечения элемента в сторону эксцентриситета до сжатого его края; |
|
yb, yh |
- расстояния от центра тяжести элемента прямоугольного сечения до его края в сторону эксцентриситета, соответственно сторонам, при косом внецентренном сжатии; |
|
z |
- плечо внутренней пары сил; |
|
α |
- упругая характеристика кладки; |
|
αred |
- приведенная упругая характеристика кладки; |
|
αsk |
- упругая характеристика кладки с сетчатым армированием; |
|
αt |
- коэффициент линейного расширения кладки; |
|
α1, α2 |
- упругие характеристики слоев кладки в многослойной стене и соответственно их толщины; |
|
β |
- отношение высоты этажа к толщине стены или меньшей стороне прямоугольного сечения столба; |
|
γc |
- коэффициент условий работы кладки; |
|
γc1 |
- коэффициент условий работы для зимней кладки; |
|
γcs |
- коэффициент условий работы арматуры; |
|
γ |
- плотность; |
|
γr |
- коэффициент условий работы кладки при расчете по раскрытию трещин; |
|
γcs1 |
- коэффициент условий работы сетчатой арматуры при расчете кладки в стадии оттаивания; |
|
ε |
- относительная деформация кладки; |
|
εu |
- предельная относительная деформация; |
|
η |
- коэффициент, принимаемый по таблице 20; |
|
λh, λi |
- гибкость элементов соответственно прямоугольного сечения и сечения произвольной формы; |
|
λh1c, λh2c |
- гибкости сжатой части элементов в сечениях с максимальными изгибающими моментами; |
|
μ |
- процент армирования сетчатой арматурой кладки по объему; |
|
μтр |
- коэффициент трения; |
|
ν |
- коэффициент, учитывающий влияние ползучести кладки; |
|
ξ1 |
- коэффициент, зависящий от материала кладки и места приложения нагрузки, определяется по таблице 21; |
|
σ |
- напряжение в кладке, при котором определяется ε; |
|
σ0 |
- среднее напряжение сжатия при наименьшей расчетной нагрузке, определяемой с коэффициентом перегрузки 0,9; |
|
σc |
- максимальное напряжение над опорой рандбалки; |
|
φ |
- коэффициент продольного изгиба; |
|
φc |
- коэффициент продольного изгиба сжатой части сечения элемента; |
|
φ1 |
- коэффициент продольного изгиба при внецентренном сжатии элемента; |
|
ψ |
- коэффициент полноты эпюры давления от местной нагрузки; |
|
ω |
- коэффициент, принимаемый по таблице 20. |
Приложение Г (рекомендуемое). Расчет стен зданий с жесткой конструктивной схемой
Приложение Г
(рекомендуемое)
Г.1 Стены и столбы, имеющие в плоскостях междуэтажных перекрытий жесткие опоры, рассчитываются согласно указаниям, приведенным в 6.10-6.14. Эпюры изгибающих моментов при расчете стен как неразрезных балок с шарнирными опорами приведены на рисунке Г.1, а. В запас прочности допускается выполнять расчет стен, как однопролетных балок (рисунок Г.1,б). Величины эксцентриситетов, возникающих в стенах при действии вертикальных и горизонтальных (ветровых) нагрузок относительно оси, проходящей через центр тяжести сечения стены, определяются по формуле
e0 = M / N, (Г.1)
где M - изгибающий момент в сечении;
N - нормальная сила от вертикальной нагрузки.

а - стена рассчитывается как неразрезная балка; б - стена рассчитывается в пределах каждого этажа как однопролетная балка
Рисунок Г.1 - Расчетные схемы и эпюры изгибающих моментов от вертикальных внецентренно приложенных нагрузок
Изгибающие моменты в стенах учитываются от нагрузок, приложенных в пределах рассматриваемого этажа, т.е. от перекрытия над этим этажом, балконов и т.п., а также от ветровой нагрузки. Моменты от нагрузок вышележащих этажей учитываются, если сечение стены изменяется в уровне перекрытия над данным этажом. При изменении сечения стены в пределах рассчитываемого этажа следует учитывать момент, вызванный смещением оси стены.
При отсутствии специальных опор, фиксирующих положение опорного давления, допускается принимать расстояние от точки приложения опорной реакции прогонов, балок или настила до внутренней грани стены или опорной плиты равным одной трети глубины заделки, но не более 7 см.
Изгибающие моменты от ветровой нагрузки следует определять в пределах каждого этажа как для балки с заделанными концами, за исключением верхнего этажа, в котором верхняя опора принимается шарнирной.
Г.2 При расчете стен здания на ветровые нагрузки, направленные параллельно стенам, производится распределение ветровой нагрузки между поперечными или продольными стенами, расположенными в направлении действия нагрузки.
Г.3 Если стены взаимно перпендикулярного направления соединены перевязкой или другими достаточно жесткими и прочными связями, то следует учитывать совместную работу рассчитываемой стены и участков примыкающих к ней стен.
Г.4 Поперечные стены, воспринимающие действующие в их плоскости горизонтальные (ветровые) нагрузки, должны быть рассчитаны на главные растягивающие напряжения по 9.12, 9.13. Если прочность поперечных стен с проемами обеспечивается только с учетом жесткости перемычек, то перемычки должны быть рассчитаны на возникающие в них перерезывающие силы.
Расчет стен зданий с упругой конструктивной схемой
Г.5 К зданиям с упругой конструктивной схемой относятся здания, в которых расстояния между поперечными стенами или другими жесткими опорами для перекрытий и покрытий превышают указанные в таблице 28. Независимо от расстояния между поперечными конструкциями к упругим опорам относятся покрытия из легких конструкций, опирающихся на металлические или железобетонные фермы, прогоны, балки.
Г.6 При упругих опорах производится расчет рамной системы, стойками которой являются стены и столбы (железобетонные, кирпичные и др.), а ригелями - перекрытия и покрытия, которые рассматриваются как жесткие распорки, шарнирно связанные со стенами. При упругих опорах принимается, что стойки заделаны в грунт в уровне пола здания (при наличии бетонного подстилающего слоя под полы и отмостки).
Г.7 При статических расчетах рам жесткость стен или столбов, выполненных из кирпичной или каменной кладки, допускается определять при модуле упругости кладки E = 0.8E0 и моменте инерции сечения без учета раскрытия швов, а перекрытия и покрытия следует принимать как жесткие ригели (распорки), шарнирно связанные со стенами.
Г.8 Если нагрузка от перекрытия или покрытия распределена равномерно по длине стены (например, при покрытии из железобетонного настила), за ширину полки стены с пилястрой может приниматься вся ширина простенка или же, при глухих стенах, - вся длина стены между осями примыкающих к пилястре пролетов.
Если нагрузка от перекрытия сосредоточена на отдельных участках (опирание ферм, балок и пр.), при статическом расчете допускается принимать ширину полки тавра согласно следующим указаниям: не более 6h и ширины стены между проемами (H - высота стены от уровня заделки, h - толщина стены). При отсутствии пилястр и передаче на стены сосредоточенных нагрузок ширина участка 1/3H принимается в каждую сторону от края распределительной плиты, установленной под опорами ферм или прогонов.
Если толщина стены меньше 0,1 высоты сечения пилястры, то сечение рассматривается как прямоугольное без учета примыкающих участков стены.
Г.9 Каждая поперечная рама, состоящая из вертикальных и горизонтальных элементов, расположенных на одной оси, рассчитывается, как правило, независимо от других рам, если нет специальных условий, при которых возможна существенная перегрузка какой-либо рамы при загрузке других пролетов. Расчет производится на все нагрузки, расположенные между средними осями пролетов здания, примыкающих к рассчитываемой раме.
Г.10 До установки перекрытий или покрытий стены и столбы рассчитываются на собственный вес стен, некоторые виды оборудования и др., как свободно стоящие стойки, заделанные в грунт. На нагрузки, приложенные после устройства перекрытий, стены и столбы рассчитываются как элементы рам. Усилия, вычисленные при этих двух нагрузках, суммируются.
Опорные реакции в шарнирной верхней опоре каждой стойки определяются последовательно от всех приложенных нагрузок, и полученные значения суммируются.
Приложение Д (рекомендуемое). Требования по армированию кладки лицевого слоя
Приложение Д
(рекомендуемое)
Д.1 Армирование кладки лицевого слоя с гибкими связями и поэтажным опиранием следует выполнять с учетом следующих положений:
рекомендуется использовать армирующие сетки с двумя продольными стержнями. Поперечная арматура должна назначаться конструктивно из арматуры диаметром 3 мм с шагом 200 мм. Диаметр продольной стальной арматуры в сетках рекомендуется принимать не менее 3 мм и не более 5 мм;
наибольшие величины горизонтальных растягивающих напряжений действуют в нижней трети стены, т.е. на высоте от опоры около 1 м (при высоте этажа 3 м). Армирование подбирается из расчета кладки лицевого слоя на температурно-влажностные воздействия. Выше армирование выполняется конструктивно теми же сетками, что и в нижних рядах, но с более редким по высоте шагом (но не реже, чем через 60 см). Независимо от результатов расчетов должно выполняться конструктивное армирование кладки лицевого слоя сетками, располагаемыми с шагом не более 60 см на всю высоту стены;
независимо от результатов расчетов на углах должно выполняться конструктивное армирование кладки лицевого слоя сетками, располагаемыми с шагом не более 25 см на всю высоту стены;
на углах каждый из слоев кладки должен быть армирован Г-образными сварными сетками на длину не менее 1 м от угла или до вертикального деформационного шва, если он расположен ближе. На прямолинейных участках допускается укладывать сетки внахлест. Длина перехлеста должна составлять не менее 15 см.
Д.2 Сетки, укладываемые в наружный слой кладки, должны выполняться из нержавеющей стали или других, стойких к коррозии материалов.
Д.3 Армирование каждого из слоев стены с соединением слоев вертикальными кирпичными диафрагмами осуществляется сетками, располагаемыми по высоте не реже, чем через 1 м. Диафрагмы армируются сетками из арматуры диаметром не менее 3 мм или Z-образными стержнями диаметром не менее 5 мм с шагом по высоте не более 60 см.
Требования по устройству деформационных швов
Д.4 Горизонтальные швы устраиваются в несущих многослойных стенах со средним слоем из эффективного утеплителя - в облицовочном кирпичном слое, в ненесущих стенах - по всей толщине стены.
Горизонтальные деформационные швы во внутреннем и наружном слоях ненесущих многослойных стен следует выполнять в уровне опорных конструкций (между вышележащей конструкцией и верхним рядом кладки).
Д.5 Горизонтальные швы по высоте здания в облицовке несущих многослойных стен со средним слоем из эффективной теплоизоляции допускается устраивать следующим образом:
первый шов - под перекрытием 2-го этажа;
далее поэтажно, под плитой монолитного железобетонного перекрытия и под консольной балкой, устанавливаемой под сборной железобетонной плитой перекрытия.
Д.6. Вертикальные температурно-деформационные швы устраиваются в лицевом слое многослойных наружных стен, отделенных от основного слоя утеплителя.
Д.7. Рекомендуемые максимальные расстояния между вертикальными температурными швами для прямолинейных участков стен 6-7 м. Вертикальные швы на углах здания следует располагать на расстоянии 250-500 мм от угла по одной из сторон. При толщине облицовочного слоя 250 мм расстояние между швами может быть увеличено.
При необходимости увеличения расстояния между температурными швами требуется проведение расчетов температурных деформаций с учетом конструктивных особенностей стен, конструкции здания, ориентации его по сторонам света и климатических условий.
Требования по устройству связей
Д.8. Связи должны устанавливаться только под прямыми углами к поверхности стен.
В горизонтальных швах кладки (при отсутствии указаний) точечные связи должны выполняться с закреплением в несущей стене и облицовочном слое путем отгибов.
Для двухслойных стен без воздушного зазора допускается применение связей и сеток из оцинкованной стали. Необходимая толщина антикоррозионного покрытия определяется в проекте с учетом климатических особенностей и степени агрессивности среды.
Связи, выполненные из полимерных материалов, должны иметь разрешение на их применение в составе многослойных стен.
Д.9 Диаметр одиночных связей, заанкеренных в растворном шве с помощью загнутого конца (Z, Г-образные), должен быть не менее 5 мм. "Одиночные" связи, состоящие из сеток, а также П-образных стержней, у которых поперечный стержень находится в растворном шве, а также связи, крепящиеся к расположенным в горизонтальных швах сеткам или стержням, могут выполняться из стали диаметром 3 мм.
Д.10 Связи Z-образной формы, не объединенные продольными стержнями или сетками, могут применяться для стеновых материалов с пустотностью не более 27% или в случае заполнения пустот легким бетоном, раствором марки не ниже М25 при большем проценте пустотности. Связи прямоугольной, треугольной, трапециевидной формы и т.д. могут применяться для стеновых материалов без ограничения процента пустотности.
Д.11 Связевые сетки должны выполняться из арматуры, имеющей диаметр не менее 3 мм. Шаг сеток по высоте не должен превышать 50 см.
При назначении армирования следует учитывать выполненные в виде сеток связи, соединяющие слои.
Для обеспечения свободных перемещений слоев относительно друг друга не только по вертикали, но и по горизонтали, сетки рекомендуется делать с прямоугольными ячейками.
Допускается установка сеток, выполняемых из двух продольных стержней, объединенных поперечной зигзагообразной арматурой, для связи слоев, объединенных тычковыми рядами. Применение указанного типа сеток в конструкциях с гибким соединением слоев не рекомендуется.
Д.12 Дополнительные связи необходимо устраивать на расстоянии 25 см от края с шагом через три ряда по высоте кладки облицовки (на углах расстояние считается по внутренним граням наружного слоя).
Д.13 Не допускается несовпадение рядов внутреннего и наружного слоев кладки в уровне расположения связей. В случае если конструкция связи предусматривает установку с изгибом, допускается выполнять монтаж в соответствии с проектными решениями.
Приложение Е (рекомендуемое). Расчет стен многоэтажных зданий из каменной кладки на вертикальную нагрузку по раскрытию трещин при различной загрузке или разной жесткости смежных участков стен
Приложение Е
(рекомендуемое)
При различии наружных и примыкающих к ним внутренних стен по степени загрузки или выполнении их из различных материалов участки стен, близкие к местам их взаимного примыкания, должны быть рассчитаны по образованию и раскрытию трещин.
При расчете условно принимается, что обе стены (или смежные участки одной и той же стены) не связаны друг с другом, и определяется свободная деформация каждой из двух стен отдельно при действии расчетных длительных нагрузок. Разность свободных деформаций этих стен должна удовлетворять условию
δ1 - δ2 ≤ δu,
где δ1 - абсолютная свободная деформация сжатия одной из стен (или участка стены);
δ2 - то же, второй стены;
δu - предельная допустимая разность деформаций, определяемая по таблице Е.1.
Таблица Е.1
|
Число этажей |
5 |
6 |
7 |
8 |
9 |
12 и более |
|
Высота стены, H |
15 |
18 |
21 |
24 |
27 |
36 и более |
|
δu, м |
7 |
8 |
9 |
10 |
12 |
15 |
Величины свободных деформаций определяются как сумма деформаций кладки во всех этажах здания от уровня верха фундамента до верха стены по формулам:


где σ1i - напряжения в кладке первой свободно стоящей стены в первом этаже;
σ2i - то же, второй стены;
E1i - модули деформации кладки первой стены на первом этаже;
E2i - то же, второй стены;
hi - высота i-го этажа;
δsh1 и δsh2 - абсолютные деформации усадки первой и второй стены, вычисленные по относительным значениям усадок материалов стен, умноженным на высоту соответствующих участков стен;
n - число этажей от пола подвала до верхнего или рассматриваемого промежуточного этажа.
Напряжения определяются в середине каждого этажа и вычисляются при расчетных значениях всех длительных нагрузок. Модули упругости Ei вычисляются по формуле
E1 = α1iRiu,
где Riu - средний предел прочности кладки первой или второй стены данного этажа;
α1i - характеристика деформаций, которая зависит от материала кладки и учитывает полные деформации кладки (без учета деформаций усадки).
Значение характеристики α1 для кладки на растворе марки 25 и выше приведено в таблице Е.2
Таблица Е.2
|
Кладка |
α1 для кладки |
|
|
|
летней |
зимней после затвердевания |
|
Из кирпича: |
|
|
|
керамического пластического прессования |
450 |
300 |
|
силикатного и керамического полусухого прессования |
250 |
170 |
|
из керамических камней высотой 140-220 мм |
650 |
430 |
|
Примечание - При зимней кладке, выполняемой на растворах с противоморозными химическими добавками, значения характеристики деформаций принимаются такими же как для летней кладки. |
||
Библиография
[1] СП 23-101-2004 Проектирование тепловой защиты зданий
[2] Инструкция по проектированию конструкций крупнопанельных жилых домов*
______________
* Отменен без замены. - Примечание изготовителя базы данных.
Электронный текст документа
подготовлен ЗАО "Кодекс" и сверен по:
официальное издание
М.: Минрегион России, 2012

